| Общая информация » Каталог студенческих работ » ТЕХНИЧЕСКИЕ ДИСЦИПЛИНЫ » Электротехника, электроэнергетика и электроника |
| 12.11.2025, 11:23 | |
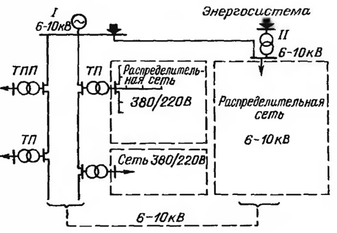
Задание 1 Внесение изменений в инструкцию по эксплуатации силовых трансформаторов на ТП 10/0,4 кВ с учетом мероприятий по повышению надежности электроснабжения В системе электроснабжения малого города все производственные объекты получают питание от трансформаторных подстанций 10/0,4 кВ и относятся к электропотребителям II категории. Внести изменения в инструкции по эксплуатации силовых трансформаторов на ТП 10/0,4 кВ с учетом проведенных мероприятий по повышению надежности электроснабжения (ПК-8.1)
Рисунок 1 – Система электроснабжения малого города
Задание 2 Выбор коммутационной аппаратуры электроэнергетической системы города с электроприемниками II категории На рисунке 1 представлена система электроснабжения среднего города.
Рисунок 1 – Система электроснабжения среднего города Решить задачу по выбору коммутационной аппаратуры электроэнергетической системы города с электроприемниками II категории. (ПК-1.1)
Задание 3 Внесение изменений в инструкцию по эксплуатации РП при их преобразовании в РТП Электрохозяйство малого города включает распределительные пункты (РП) и распределительные трансформаторные подстанции (РТП). Внести изменения в инструкции по эксплуатации РП при их преобразовании в РТП (ПК-8.1)
Рисунок 1 – Система электроснабжения малого города
Задание 4 Выбор коммутационной аппаратуры электроэнергетической системы города с электроприемниками I категории На рисунке 1 представлена система электроснабжения крупного города.
Рисунок 1 – Система электроснабжения крупного города Решить задачу по выбору коммутационной аппаратуры электроэнергетической системы города с электроприемниками I категории. (ПК-1.1) | |




