| Общая информация » Каталог студенческих работ » ТЕХНИЧЕСКИЕ ДИСЦИПЛИНЫ » Электротехника, электроэнергетика и электроника |
| 08.11.2025, 18:27 | |
Задания к контрольным работам Контрольная работа выполняется студентами самостоятельно на бумажном носителе (тетрадь формата А5/А4 или альбомные листы белой бумаги формата А4). Вариант задания студент определяет самостоятельно по последним двум цифрам зачетной книжки (студенческого билета) в соответствии с таблицей выбора задания. Задача №1 Три электрических зарядов Q1, Q2, Q3 расположены на одной линии; расстояние между ними b и c. Необходимо найти напряжённость E и потенциал φ электрического поля в указанных цифрами точках и напряжение U между ними, а также силу F, действующую на заряд q, помещенный в указанную в колонках 12 (для четных вариантов) и 13 (для нечетных вариантов) точку, при нахождении зарядов: а) в воздухе; б) в заданной среде (колонка 14). Данные для расчета следует взять из таблицы 1.
Рис. 1 – Схема размещения зарядов. Таблица 1 Исходные данные к задаче 1
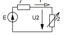
Задача №2 В электрической цепи, данной на рисунке 2, сопротивление нагрузки r2 может изменяться от нуля до бесконечности. Источник ЭДС Е имеет внутреннее сопротивление r. Построить график зависимости напряжения U2, мощности Р1, мощности Р2, коэффициента полезной мощности, тока I от величины r2, если известны значения трех величин, согласно таблице 2.
Рис.2 Схема к задаче 2 Таблица 2 Исходные данные к задаче 2
| |






