| Общая информация » Каталог студенческих работ » ТЕХНИЧЕСКИЕ ДИСЦИПЛИНЫ » Электротехника, электроэнергетика и электроника |
| 09.01.2026, 20:17 | |||||||||||||||||||||||||||||||||||||||||||||||||||||||||||||||||||||||||||||||||||||||||||||||||||||||||||||||||||||||||||||||||||||||||||||||||||||||||||||||||||||||||||||||||||||||||||||||||||||||||||||||||||||||||||||||||||||||||||||||||||||||||||||||||||||||||||||||||||||||||||||||||||||||||||||||||||||||||||||||||||||||||||||||||||||||||||||||||||||||||||||||||||||||||||||||||||||||||||||||||||||||||||||||||||||||||||||||||||||||||||||||||||||||||||||||||||||||||||||||||||||||||||||||||||||||||||||||||||||||||||||||||||||||||||||||||||||||||||||||||||||||||||||||||
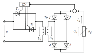
Контрольное задание Контрольное задание выдается в виде трёх задач посвященных расчетам силовых преобразователей, данные для решения заданы в таблицах 1,2,3. Номер варианта соответствует двум последним цифрам зачётной книжки, если этот номер больше 30, то необходимо отнять от данного номера 30, или число кратное тридцати, чтобы получить номер варианта. Например: две последние цифры зачетной книжки - 76, тогда 76-2×30=16, следовательно – вариант 16. ЗАДАЧИ Задача 1. Потребитель электрической энергии, сопротивление которого изменяется в пределах Rmax≥R≥Rdmin, питается от сети переменного тока через полупроводниковый регулятор, преобразовательный трансформатор и двухполупериодный мостовой диодный выпрямитель (см. рисунок 1). Напряжение питающей сети U. Среднее значение тока нагрузки (выпрямленный ток) с помощью обратной связи поддерживается постоянным и равным Id. При максимальном сопротивлении нагрузки Rd,max регулятор полностью открыт (α=0). Полагая, что трансформатор идеальный, необходимо определить: - коэффициент трансформации трансформатора; - диапазон изменения углов управления регулятора
Рисунок 1
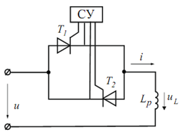
Задача 2. Идеальный реактор, управляемый тиристорным регулятором переменного напряжения, подключен к сети с синусоидальным напряжением U и f (см. рисунок 2). Индуктивность реактора Lp. Импульсы управления тиристоров имеют ширину tи эл. град. Для углов подачи импульсов управления a1 и a2 эл. град. необходимо: - построить диаграммы мгновенных значений тока в цепи и напряжения на реакторе; - определить средние и действующие значения тока нагрузки; - определить средние и действующие значения тока тиристоров
Рисунок 2
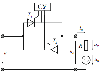
Задача 3. Тиристорный регулятор переменного напряжения работает в цепи с активным сопротивлением и противо – ЭДС (см. рисунок. 3). Частота противо – ЭДС равна частоте напряжения питающей сети. Напряжение сети U, В, напряжение противо – ЭДС U0, В. Противо – ЭДС опережает напряжение сети на угол Y эл. град. Сопротивление нагрузки RН Ом. Угол управления тиристоров a эл. град. Построить временные диаграммы токов и напряжений на элементах цепи, а также определить: - действующее значение тока нагрузки, - действующее и среднее значение тока тиристора, - максимальное напряжение на тиристоре при заданном угле управления.
Рисунок 3.
Таблица 1.
Таблица 2
Таблица 3
| |||||||||||||||||||||||||||||||||||||||||||||||||||||||||||||||||||||||||||||||||||||||||||||||||||||||||||||||||||||||||||||||||||||||||||||||||||||||||||||||||||||||||||||||||||||||||||||||||||||||||||||||||||||||||||||||||||||||||||||||||||||||||||||||||||||||||||||||||||||||||||||||||||||||||||||||||||||||||||||||||||||||||||||||||||||||||||||||||||||||||||||||||||||||||||||||||||||||||||||||||||||||||||||||||||||||||||||||||||||||||||||||||||||||||||||||||||||||||||||||||||||||||||||||||||||||||||||||||||||||||||||||||||||||||||||||||||||||||||||||||||||||||||||||||



