| Общая информация » Каталог студенческих работ » ТЕХНИЧЕСКИЕ ДИСЦИПЛИНЫ » Электротехника, электроэнергетика и электроника |
| 11.11.2025, 21:37 | |||||||||||||||||||||||||||||||||||||||||||||||||||||||||||||||||||||||||||||||||||||||||||||||||||||||||||||||||||||||||||||||||||||||||||||||||||||||||||||||||||||||||||||||||||||||||||||||||||||||||||||||||||||||||||||||||||||||||||||||||||||||||||||||||||||||||||||||||||||||||||||||||||||||||||||||||||||||||||||||||||||||||||||||||||||||||||||||||||||||||||||||||||||||||||||||||||||
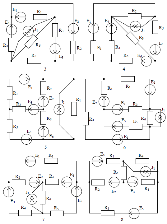
Задача 1 РАСЧЕТ РАЗВЕТВЛЕННОЙ ЦЕПИ ПОСТОЯННОГО ТОКА Для электрической цепи, соответствующей номеру варианта, выполнить следующее: 1. Начертить схему электрической цепи, дерево графа, дополненное ветвями связи. Написать уравнения по законам Кирхгофа (найти токи в ветвях, решив полученную систему на ЭВМ). 2. Выполнить расчет токов во всех ветвях методом контурных токов. 3. Проверить правильность решения по второму закону Кирхгофа по двум контурам. 4. Составить баланс мощностей цепи. 5. Построить потенциальную диаграмму для внешнего контура. 6. Определить ток в одной из ветвей (по своему выбору) по методу эквивалентного генератора. Определение токов в цепи после размыкания выбранной ветви выполнить методом узловых потенциалов. Исходные данные приведены в таблице 1, схемы цепи показаны на рис. 1. Таблица 1. Исходные данные.
Рис. 1. Схемы к задаче 1
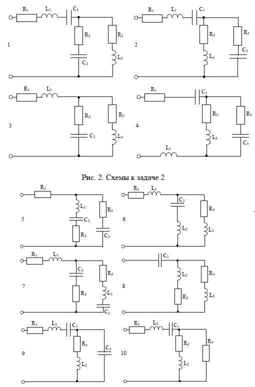
Задача 2 РАСЧЕТ ЦЕПИ ОДНОФАЗНОГО СИНУСОИДАЛЬНОГО ТОКА СИМВОЛИЧЕСКИМ МЕТОДОМ Для электрической цепи, соответствующей номеру варианта, выполнить следующее: Заданы параметры цепи и напряжение на входе цепи u = Umsin(wt + yu ). Требуется: 1. Определить токи и напряжения на всех участках цепи символическим методом . 2. Записать выражения для мгновенных значений всех токов и напряжений. 3. Сделать проверку правильности решения по законам Кирхгофа для момента времени t = 0. 4. Составить баланс активных и реактивных мощностей для цепи. 5. Построить временные диаграммы напряжения, тока и мощности на входе цепи в одних координатных осях. 6. Построить векторную диаграмму токов и напряжений для цепи. Числовые данные приведены в табл. 2, схемы показаны на рис. 2. Таблица 2. Исходные данные.
Задача 3 Дана трехфазная цепь (рисунки 3.1 или 3.2). Источник питания – симметричный, порядок чередования фаз – прямой. Задано линейное напряжение Uл и комплексное сопротивление фазы нагрузки z . Определить: 1) линейные и фазные напряжения и токи; 2) активную, реактивную и полную мощности трехфазной системы для двух режимов работы – симметричного и несимметричного. Для этих же режимов построить в масштабе топографические векторные диаграммы напряжений и в тех же осях – векторные диаграммы токов. Данные варианты указаны в таблице 3.1.
Таблица 3.1. Исходные данные.(Последняя цифра зачетки)
Таблица 3.1. Исходные данные. (Предпоследняя цифра зачетки)
| |||||||||||||||||||||||||||||||||||||||||||||||||||||||||||||||||||||||||||||||||||||||||||||||||||||||||||||||||||||||||||||||||||||||||||||||||||||||||||||||||||||||||||||||||||||||||||||||||||||||||||||||||||||||||||||||||||||||||||||||||||||||||||||||||||||||||||||||||||||||||||||||||||||||||||||||||||||||||||||||||||||||||||||||||||||||||||||||||||||||||||||||||||||||||||||||||||||





