| Общая информация » Каталог студенческих работ » ТЕХНИЧЕСКИЕ ДИСЦИПЛИНЫ » Электротехника, электроэнергетика и электроника |
| 15.12.2025, 20:19 | ||||||||||||||||||||||||||||||||||||||||||||||||||||||||||||||||||||||||||||||||||||||||||||||||||||||||||||||||||||||||||||||||||||||||||||||||||||||||||||||||||||||||||||||||||||||||||||||||||||||||||||||||||||||||||||||||||||||||||||||||||||||||||||||||||||||||||||||||||||||||||||||||||||||||||||||||||||||||||||||||||||||||||||||||||||||||||||||||||||||||||||||||||||||||||||||||||||||||||||||||||||||||||||||||||||||||||||||||||||||||||||||||||||||||||||||||||||||||||||||||||||||||||||||||||||||||||||||||||||||||||||||||||||||||||||||||||||||||||||||||||||||||||||||||||||||||||||||||||||||||||||||||||||||||||||||||||||||||||||||||||||||||||||||||||||||||||||||||||||
Расчетно-графическая работа №1 РАСЧЕТ ЛИНЕЙНОЙ ЭЛЕКТРИЧЕСКОЙ ЦЕПИ ПОСТОЯННОГО ТОКА Задание Для заданной схемы (рис.1.1 - 1.28) требуется: 1. Определить токи в ветвях одним из нижеперечисленных методов: 1.1) методом непосредственного применения законов Ома и Кирхгофа; 1.2) методом контурных токов; 1.3) методом узловых потенциалов; 1.4) методом наложения (суперпозиции); 2. Выполнить проверку достоверности полученных результатов. 3. Выполнить расчет баланса мощностей; 4. Определить показания вольтметра; Параметры Ri, Ei выдаются преподавателем каждому студенту индивидуально, в соответствии с номером варианта задания из табл.1.1 и 1.2. Номер схемы соответствует номеру варианта задания, который соответствует номеру записи фамилии студента в журнале группы. Таблица 1.1
Таблица 1.2
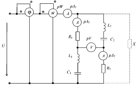
..... Расчетно-графическая работа №2 РАСЧЕТ ЭЛЕКТРИЧЕСКОЙ ЦЕПИ ОДНОФАЗНОГО СИНУСОИДАЛЬНОГО ТОКА Задание К источнику переменного синусоидального тока с заданным действующим значением напряжения и частоты подключены две параллельные ветви с активными и реактивными приемниками электрической энергии (рис. 2.1), требуется: 1) Рассчитать токи в ветвях и показания всех измерительных приборов; 2) Выполнить проверку достоверности полученных выше результатов; 2) Рассчитать потребляемую: активную, реактивную и полную мощности приемников электрической энергии; 3) Рассчитать параметры элемента «Х» (индуктивности или емкости), при подключении которого в цепи наступит резонанс токов; 4) Построить векторные диаграммы токов и напряжений ( в масштабе) для режимов до и после подключения элемента Х.
Рис. 2.1 Исходная схема однофазной цепи переменного тока Действующее напряжение и частота источника переменного тока, параметры приемников электрической энергии выдаются преподавателем каждому студенту индивидуально из табл. 2.1 и 2.2. Таблица 2.1
Таблица 2.2
Расчетно-графическая работа №3 РАСЧЕТ ТРЕХФАЗНОЙ ЦЕПИ Задание К трехфазной сети подключены однофазные приемники электрической энергии, которые образуют симметричную и несимметричную нагрузки (рис. 3.1.). При заданном напряжении сети и параметрах приемников требуется: 1) составить по индивидуальному заданию расчетную схему включения приемников; 2) определить линейные и фазные токи в трехфазной цепи; 3) выполнить проверку достоверности полученных результатов; 4) построить векторные диаграммы ( в масштабе) токов и напряжений трехфазной цепи ; 5) определить активную , реактивную и полную мощности трехфазного приемника; 6) составить схему включения ваттметров для измерения активной мощности трехфазного приемника.
Примечание: при симметричной нагрузке, включенной по схеме «звезда», нейтральный провод отсутствует. Данные приёмников, схемы включения, напряжение сети и характер нагрузки выдаются преподавателем каждому студенту индивидуально в соответствии с номером варианта задания из табл. 3.1 и 3.2. (варианты задания: №01 … №99).
Расчетно-графическая работа №4 Расчёт параметров однофазного трансформатора. Задание: 1. Дать краткое описание назначения и принципа действия выбранного трансформатора. Начертить схему включения трансформатора с нагрузкой Z. 2. Определить коэффициент трансформации трансформатора k, номинальные токи первичной I1Н и вторичной I2Н обмоток. 3. Определить параметры T-образной схемы замещения. Начертить схему замещения трансформатора. 4. Определить КПД при коэффициенте нагрузки: β = 0; 0,25; 0,5; 0,75; 1,0 и коэффициенте мощности cosφ2 = 0,8. На основании расчетов построить зависимость դ = f(β). 5. Определить процентное изменение вторичного напряжения Δu2% и вторичное напряжение U2 при β = 0; 0,25; 0,5; 0,75; 1,0 и cosφ2 = 0,8. На основании расчетов построить зависимость U2 = f(β) . 6. Определить характер нагрузки, при котором вторичное напряжение не зависит от коэффициента β. Таблица 1 – Исходные данные
Примечание: в таблице 1 приняты следующие обозначения: ОМ…ТБС – однофазные двухобмоточные трансформаторы сухие, броневые; SН – номинальная мощность, ВА; U1Н – номинальное напряжение первичной обмотки, В; U2Н – номинальное напряжение вторичной обмотки, В; iо,% - процентное значение тока холостого хода; Р0 - мощность потерь в сердечнике ( в стали), Вт; UК, % - процентное значение напряжения короткого замыкания; РК – мощность потерь в обмотках (в меди), Вт.
Расчетно-графическая работа №5 РАСЧЕТ ХАРАКТЕРИСТИК АСИНХРОННЫХ ДВИГАТЕЛЕЙ Задание. По заданным параметрам асинхронного двигателя (табл. 5.1): 1) определить и вычертить схему включения обмоток статора; 2) рассчитать и построить механическую характеристику n2 = f(M); 3) рассчитать и выбрать сечение медных проводов трехжильного кабеля питания двигателя , приняв допустимую плотность тока 10 А/мм2. | ||||||||||||||||||||||||||||||||||||||||||||||||||||||||||||||||||||||||||||||||||||||||||||||||||||||||||||||||||||||||||||||||||||||||||||||||||||||||||||||||||||||||||||||||||||||||||||||||||||||||||||||||||||||||||||||||||||||||||||||||||||||||||||||||||||||||||||||||||||||||||||||||||||||||||||||||||||||||||||||||||||||||||||||||||||||||||||||||||||||||||||||||||||||||||||||||||||||||||||||||||||||||||||||||||||||||||||||||||||||||||||||||||||||||||||||||||||||||||||||||||||||||||||||||||||||||||||||||||||||||||||||||||||||||||||||||||||||||||||||||||||||||||||||||||||||||||||||||||||||||||||||||||||||||||||||||||||||||||||||||||||||||||||||||||||||||||||||||||||




