| Общая информация » Каталог студенческих работ » ТЕХНИЧЕСКИЕ ДИСЦИПЛИНЫ » Электротехника, электроэнергетика и электроника |
| 21.12.2025, 13:22 | ||||||||||||||||||||||||||||||||||||||||||||||||||||||||||||||||||||||||||||||||||||||||||||||||||||||||||||||||||||||||||||||||||||||||||||||||||||||||||||||||||||||||||||||||||||||||||||||||||||||||||||||||||||||||||||||||||||||||||||||||||||||||||||||||||||||||||||||||||||||||||||||||||||||||||||||||||||||||||||||||||||||||||||||||||||||||||||||||||||||||||||||||||||||||||||||||||||||||||||||||||||||||||||||||||||||||||||||||||||||||||||||||||||||||||||||||||||||||||||||||||||||||||||||||||||||||||||||||||||||||||||||||||||||||||||||||||||||||||||||||||||||||||||||||||||||||||||||||||||||||||||||||||||||||||||||||||||||||||||||||||||||||||||||||||||||||||||||||||
ЗАДАНИЯ И ВАРИАНТЫ ДЛЯ КОНТРОЛЬНЫХ РАБОТ Вариант контрольной работы и номера вопросов выбираются по двум последним цифрам шифра студента согласно специальности обучающегося по таблице 1. Указания по решению задач Задачи по общей электротехнике и электронике весьма разнообразны и не представляется возможным предложить единую методику их решения. Ниже приводятся лишь общие рекомендации. 1. Уяснить содержание задачи, изобразить ее электрическую схему согласно указанному номеру рисунка, выписать заданные и искомые величины из таблицы заданий. 2. Проанализировать схему электрической цепи: выяснить возможности ее упрощения и наглядного изображения, уяснить, сколько ветвей, узлов и независимых контуров она содержит. 3. Разметить схему, т.е. все ее узлы согласно принятым в литературе обозначениям, показать заданные и принятые направления ЭДС, напряжений и токов. Индексы токов в ветвях рекомендуется выбирать такими же, как индексы у элементов данной ветви. 4. Решение задачи обязательно сопровождать пояснительным текстом, т.е. указывать законы, на основании которых составлены уравнения, а также необходимыми формулами и диаграммами с расшифровкой принятых символьных обозначений. При решении задач будет очень полезно ознакомиться с учебной литературой [1,2]. 5. Во избежание ошибок при числовых расчетах все значения величин подставлять в формулу в основных единицах СИ (В, А, Ом и т.д.), для чего все производные единицы следует перевести в основные, например: 1кВ= 103В, 1 мкФ = 10-6 Ф, 1 мГн = 10-3 Гн и т.д.
1. ЗАДАЧА ЭЦ-1. РАСЧЕТ ЛИНЕЙНОЙ ЦЕПИ ПОСТОЯННОГО ТОКА Вариант контрольной работы и номера вопросов выбираются по двум последним цифрам шифра студента согласно специальности обучающегося по таблице 9.1. Таблица 9.1
Параметры схемы первой задачи, номер рисунка которой указан в таблице вариантов (табл. 9.1), приведены в табл. 9.2. ЭДС и сопротивления задаются в единицах системы СИ (В,Ом). Задание 1. Определить токи в ветвях схемы с помощью законов Кирхгофа. 2. Определить токи в ветвях схемы методом контурных токов. 3. Определить показания вольтметра. 4. Составить уравнение баланса мощностей и проверить его подстановкой числовых значений. Таблица 9.2
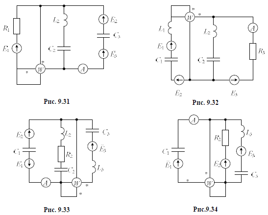
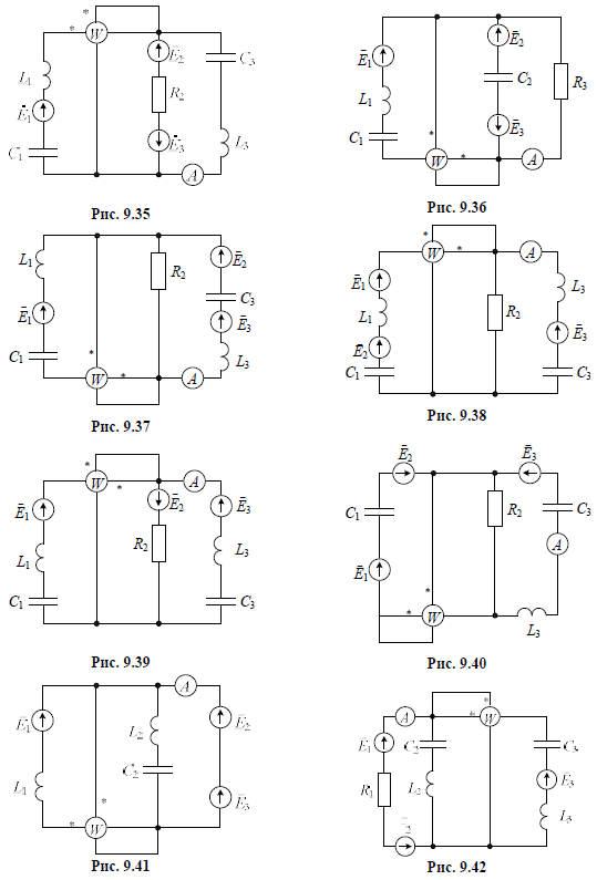
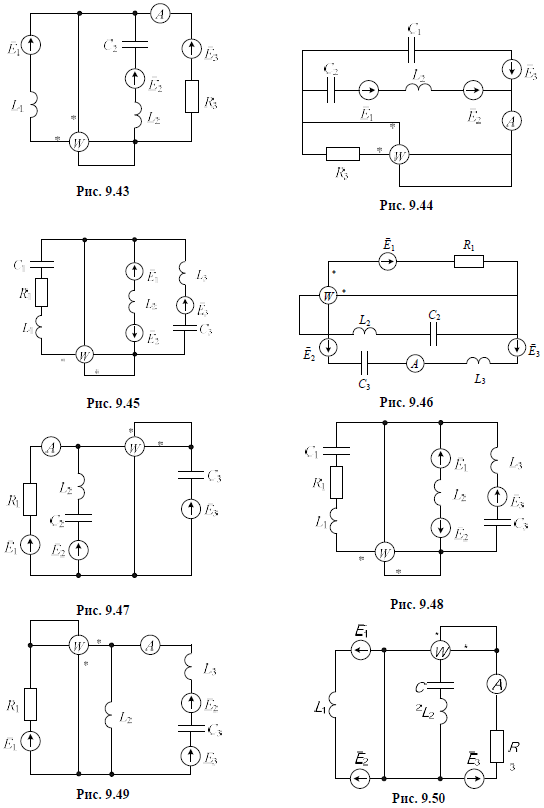
2. ЗАДАЧА ЭЦ-2. РАСЧЕТ ЦЕПИ СИНУСОИДАЛЬНОГО ТОКА В цепи рис. 9.31…9.50 активные и реактивные сопротивления ветвей соответственно обозначены R, L, C с соответствующими индексами. При заданной ЭДС определить показания амперметра (электромагнитной системы) и ваттметра. Расчёты параметров выполнить с использованием комплексных чисел удобным для вас методом. Данные для расчёта приведены в табл. 9.3, 9.4, 9.5 (при отсутствии в цепи элемента его данные не учитывать). Таблица 9.3 Номера рисунков схем расчета
Таблица 9.4
Таблица 9.5
3. ЗАДАЧА ЭЦ-3. РАСЧЕТ ТРЕХФАЗНОЙ ЭЛЕКТРИЧЕСКОЙ ЦЕПИ В трехфазную сеть включены однофазные приемники, которые образуют симметричную и несимметричную нагрузки. Данные приемников приведены в табл. 9.6, 9.7 Задание: 1. Составить расчетную схему включения приемников. 2. Составить схему включения ваттметров для измерения активной мощности 3. Определить линейные токи. 4. Построить векторные диаграммы электрического состояния цепи. 5. Определить потребляемую полную, активную и реактивную мощности приемников. Таблица 9.6
Таблица 9.7
Примечания 1. При соединении потребителя по схеме «звезда с нулем» (Y-о) принять наличие нулевой точки у источника соединенного «звездой» (Y). 2. В вариантах, где источник питания соединен ∆, при наличии нулевой точки в нагрузке принять соединение источника (Y-о) не меняя ЭДС фаз. 3. В табл 9.7 T0 – начальная фаза исходного напряжения. | ||||||||||||||||||||||||||||||||||||||||||||||||||||||||||||||||||||||||||||||||||||||||||||||||||||||||||||||||||||||||||||||||||||||||||||||||||||||||||||||||||||||||||||||||||||||||||||||||||||||||||||||||||||||||||||||||||||||||||||||||||||||||||||||||||||||||||||||||||||||||||||||||||||||||||||||||||||||||||||||||||||||||||||||||||||||||||||||||||||||||||||||||||||||||||||||||||||||||||||||||||||||||||||||||||||||||||||||||||||||||||||||||||||||||||||||||||||||||||||||||||||||||||||||||||||||||||||||||||||||||||||||||||||||||||||||||||||||||||||||||||||||||||||||||||||||||||||||||||||||||||||||||||||||||||||||||||||||||||||||||||||||||||||||||||||||||||||||||||








