| Общая информация » Каталог студенческих работ » ТЕХНИЧЕСКИЕ ДИСЦИПЛИНЫ » Электротехника, электроэнергетика и электроника |
| 21.12.2025, 13:41 | |||||||||||||||||||||||||||||||||||||||||||||||||||||||||||||||||||||||||||||||||||||||||||||||||||||||||||||||||||||||||||||||||||||||||||||||||||||||||||||||||||||||||||||||||||||||||||||||||||||||||||||||||||||||||||||||||||||||||||||||||||||||||||||||||||||||||||||||||||||||||||||||||||||||||||||||||||||||||||||||||||||||||||||||||||||||||||||||||||||||||||||||||||||||||||||||||||||||||||||||||||||||||||||||||||||||||||||||||||||||||||||||||||||||||||||||||||||||||||||||||||||||||||||||||||||||||||||||||||||||||||||||||||||||||||||||||||||||||||||||||||||||||||||||||||||||||||||||||||||||||||||||||||||||||||||||||||||||||||||||||||||||||||||||||||||||||||||||||||||||||||||||||||||||||||||||||||||||||||||||||||||||||||||||||||||||||||||||||||||||||||||||||||||||||||||||||||||||||||||||||||||||||||||||||||||||||||||||||||||||||||||||||||||
ЗАДАНИЯ И ВАРИАНТЫ ДЛЯ КОНТРОЛЬНЫХ РАБОТ Вторая часть контрольной работы для студентов – заочников включает разнообразные задачи по определению отдельных параметров различного электротехнического оборудования, а именно, трансформаторов, электрических машин с вращающимся якорем (машины постоянного тока) или ротором (машины переменного тока), а также электрических цепей, содержащих полупроводниковые элементы. Замечание: Следует помнить, что вариант контрольной работы выбирается по двум последним цифрам шифра обучающегося! Четность варианта определяется суммой двух последних цифр шифра, например, две последние цифры 12 = 1+2=3вариант нечетный, но если 33=3+3= 6 – вариант четный.
1. ЗАДАЧА «ТРАНСФОРМАТОРЫ» Студенты, имеющие нечетный шифр, решают задачу 1, а при четном шифре 2. Задача 1 Трехфазный трансформатор с номинальными данными, представленными в таблицах 6.1 и 6.2, работает в течение времени Т часов в год с полной нагрузкой при заданном коэффициенте мощности cos φ2. Потери холостого хода p0 и потери короткого замыкания pk приведены в процентах от полной мощности трансформатора. Ток холостого хода I0 – в процентах от номинального тока, напряжение короткого замыкания – в процентах от номинального напряжения. Определить: а) КПД при номинальной нагрузке, а также среднегодовой КПД. Построить зависимость КПД от коэффициента нагрузки при коэффициенте мощности нагрузки cos φ2; б) параметры упрощенной «Г» образной схемы замещения трансформатора в номинальном режиме; в) построить внешнюю характеристику трансформатора. Таблица 6.1
Таблица 6.2
Задача 2. Понижающий трехфазный трансформатор с номинальной мощностью SH и номинальными линейными напряжениями U1H и U2H при частоте 50 Гц при мощности холостого хода p0 и короткого замыкания pК питают нагрузку с заданным коэффициентом мощности cosφ2. Определить: а) линейные и фазные токи обмоток при номинальной нагрузке; б) параметры «Т» образной схемы замещения; в) полные активные и индуктивные сопротивления короткого замыкания; г) напряжение на нагрузке при заданном коэффициенте загрузки трансформатора β и коэффициенте мощности cosφ2; д) построить зависимость падения напряжения при изменении − π/2 ≤ φ ≤ π/2 Таблица 6.3
Таблица 6.4
2. ЗАДАЧА «АСИНХРОННЫЕ МАШИНЫ» Студенты, имеющие четный шифр, решают задачу 3, а при нечетном шифре 4 Задача 3 Трехфазный асинхронный двигатель с короткозамкнутым ротором питается от сети 50 Гц с линейным напряжением U1. Величины, характеризующие номинальный режим работы двигателя: мощность на валу двигателя Р2Н ; число пар полюсов р; коэффициент мощности cos φ1H; номинальное скольжение sН, номинальный КПД ηН, кратность пускового тока КI, кратность пускового момента KП, кратность максимального момента КМ, номинальный коэффициент мощности cosφн. Определить: а) номинальный, максимальный и пусковой моменты на валу; б) фазный и линейный ток при номинальной нагрузке, пусковой ток; в) электрические потери энергии в роторе при номинальной нагрузке; г) частоту вращения ротора при максимальной нагрузке; д) построить кривую M(s). Таблица 6.5
Таблица 6.6
Задача 4 Асинхронный двигатель с фазным ротором приводит во вращение подъемный механизм. Номинальные величины, характеризующие двигатель: мощность РН; номинальное скольжение sH,%. Активное сопротивления фазы статора r1 и приведенное ротора r’2; реактивная составляющая сопротивления короткого замыкания на фазу xK; номинальный КПД ηН, кратность пускового тока КI, кратность пускового момента KП, кратность максимального момента КМ, номинальный коэффициент мощности cosφН. Определить: а) приведенное активное сопротивление rД’, которое должно быть включено в фазу ротора для того, чтобы начальный пусковой момент двигателя был равен критическому. б) Определить номинальный ток статора и ток соответствующий номинальному моменту с учетом добавочного сопротивления в цепи ротора. Определить для этого режима электрические потери в роторе. в) Пользуясь результатами вычислений, построить искусственную (с учетом добавочного сопротивления в цепи ротора) и естественную механическую характеристику электродвигателя. Таблица 6.7
Таблица 6.8
3. ЗАДАЧА «МАШИНЫ ПОСТОЯННОГО ТОКА» Студенты, имеющие нечетный шифр, решают задачу 5, а при четном шифре– 6. Задача 5 Электродвигатель постоянного тока с параллельным возбуждением характеризуется следующими номинальными величинами: напряжение UH; Мощность на валу РН; номинальная частота вращения якоря а nН; КПД η; сопротивление цепи якоря RЯ; сопротивление цепи возбуждения RB. Определить: а) частоту вращения якоря при холостом ходе; б) частоту вращения якоря при номинальном моменте на валу двигателя и включении в цепь якоря добавочного сопротивления, равного RД=0,5RA; в) ток и мощность, потребляемые двигателем из сети; г) КПД двигателя при токе якоря 50% от номинального; д) построить естественную и искусственную механические характеристики электродвигателя. Таблица 6.9
Таблица 6.10
Задача 6 Генератор постоянного тока с параллельным возбуждением характеризуется следующими номинальными величинами: номинальное напряжение UН; номинальная мощность РН; номинальная частота вращения nН, частота вращения холостого хода, мощность потерь в номинальном режиме в процентах от РН, мощность потерь в цепи якоря РЯ , в цепи возбуждения РВ при заданном напряжении генератора. Определить: а) ток якоря и ток нагрузки генератора в заданном режиме; б) номинальный ток возбуждения IB; в) сопротивление в цепи якоря генератора и сопротивление нагрузки; г) частоту вращения якоря генератора в заданном режиме; д) номинальный КПД генератора; е) построить график U=f(I2), где I2 ток нагрузки в цепи якоря генератора Указание. Суммарные добавочные потери принять равными 5% по отношению к номинальной мощности. Кривая намагничивания магнитной цепи в относительных единицах задана в табл. 6.12. Таблица 6.11
Таблица 6.12
Таблица 6.12
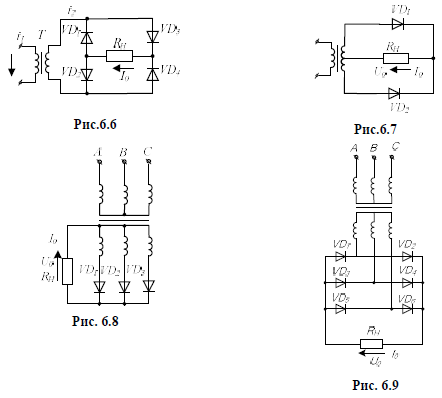
4. ЗАДАЧА «ОСНОВЫ ЭЛЕКТРОНИКИ» Задача 7 Определить действующее U2 и амплитудное U2m значение напряжения на вторичной обмотке трансформатора, I2m – максимальное значение тока нагрузки, постоянную составляющую выпрямленного тока I0, выпрямленное напряжение U0 на нагрузочном резисторе RH. Выбрать полупроводниковые вентили по полученным расчетам выпрямителя, согласно схеме указанного рисунка. Напряжение питающей сети U1. Коэффициент трансформации К. Таблица 6.14
Таблица 6.15
| |||||||||||||||||||||||||||||||||||||||||||||||||||||||||||||||||||||||||||||||||||||||||||||||||||||||||||||||||||||||||||||||||||||||||||||||||||||||||||||||||||||||||||||||||||||||||||||||||||||||||||||||||||||||||||||||||||||||||||||||||||||||||||||||||||||||||||||||||||||||||||||||||||||||||||||||||||||||||||||||||||||||||||||||||||||||||||||||||||||||||||||||||||||||||||||||||||||||||||||||||||||||||||||||||||||||||||||||||||||||||||||||||||||||||||||||||||||||||||||||||||||||||||||||||||||||||||||||||||||||||||||||||||||||||||||||||||||||||||||||||||||||||||||||||||||||||||||||||||||||||||||||||||||||||||||||||||||||||||||||||||||||||||||||||||||||||||||||||||||||||||||||||||||||||||||||||||||||||||||||||||||||||||||||||||||||||||||||||||||||||||||||||||||||||||||||||||||||||||||||||||||||||||||||||||||||||||||||||||||||||||||||||||||

