| Общая информация » Каталог студенческих работ » ТЕХНИЧЕСКИЕ ДИСЦИПЛИНЫ » Электротехника, электроэнергетика и электроника |
| 04.01.2026, 14:06 | |||||||||||||||||||||||||||||||||||||||||||||||||||||||||||||||||||||||||||||||||||||||||||||||||||||||||||||||||||||||||||||||||||||||||||||||||||||||||||||||||||||||||||||||||||||||||||||||||||||||||||||||||||||||||||||||||||||||||||||||||||||||||||||||||||||||||||||||||||||||||||||||||||||||||||||||||||||||||||||||||||||||||||||||||||||||||||||||||||||||||||||||||||||||||||||||||||||||||||||||||||||||||||||||||||||||||||||||||||||||||||||||||||||||||||||||||||||||||||||||||||||||||||||||||||||||||||||||||||||||||||||||||||||||||||||||||||||||||||||||||||||||||||||||||||||||||||||||||||||||||||||||||||||||||||||||||||||||||||||||||||||||||||||||||||||||||||||||||||||||||||||||||||||||||||||||||||||||
Контрольная работа №1 “Анализ электрических цепей постоянного тока” Указания: номер схемы соответствует порядковому номеру студента в списке своей группы (числовые параметры к схемам находятся в таблицах после схем) Задание: для гр. ЭN-04 (N – две последние цифры года поступления в ВУЗ) 1. Написать по законам Кирхгофа систему уравнений для определения неизвестных токов и э.д.с. в ветвях схемы; решать эту систему уравнений не следует. 2. Определить неизвестные токи и э.д.с. в ветвях схемы методом контурных токов (узловых потенциалов). 3. Составить баланс мощностей для исходной схемы. 4. Определить напряжения, измеряемые вольтметрами. 5. Методом эквивалентного генератора определить ток во второй ветви (где R2 и E2), а также найти величину и направление э.д.с., которую надо дополнительно включить в эту же ветвь, чтобы ток в ней увеличился в два раза и изменил свое направление. 6. Определить входную проводимость второй ветви и взаимную проводимость ветвей второй и третьей (где R3 и E3). 7. Найти уравнение, выражающее зависимость тока в третьей ветви от сопротивления второй при постоянстве всех остальных параметров схемы.
..... Таблица 1 Числовые параметры элементов и источников
Задание: для гр. ЭN-05 1. Определить входное эквивалентное сопротивление схемы со стороны R2. Вычислить токи методом пропорционального пересчёта цепи, оставляя только E1. 2. Составить систему уравнений по законам Кирхгофа. Найти токи методом контурных токов. Проверить правильность решения, составив баланс мощностей для исходной схемы. 3. Определить токи методом узловых потенциалов. Убедиться в правильности решения, составив уравнения по первому закону Кирхгофа для узлов, потенциалы которых отличны от нуля. Построить потенциальную диаграмму для контура, содержащего источник ЭДС. 4. Методом наложения вычислить токи. Составить баланс мощностей. 5. Вычислить ток в резисторе сопротивлением R1 методом эквивалентного генератора. Токи активного двухполюсника вычислить методом напряжения между двумя узлами. 6. Определить мощность Pн, выделяемую в нагрузке, при изменении её сопротивления Pн. Построить график зависимости Pн=f(Iн), включающий режимы холостого хода и короткого замыкания. 7. Вычислить токи наиболее рациональным методом. Любым путём проверить правильность решения
..... Таблица 2 Числовые параметры элементов и источников
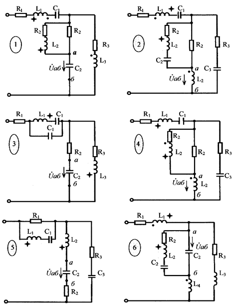
Контрольная работа №2 “Анализ электрических цепей переменного тока” Задание: для гр. ЭN-04 Заданы параметры цепи и напряжение на одном из участков цепи, включенном между точками а-б: Требуется: 1. Определить токи и напряжения на всех участках цепи символическим методом. 2. Записать выражения для мгновенных значений всех токов и напряжений. (временные функции) 3. Сделать проверку правильности решения по законам Кирхгофа. 4. Составить баланс реактивных мощностей. 5. Построить векторные диаграммы напряжения, тока и мощности на входе цепи. (п. 1-5 выполнить без индуктивной связи) 6. Качественно построить векторно-топографическую диаграмму токов и напряжений с учётом индуктивных связей. 7. Записать уравнения по законам Кирхгофа при наличии индуктивных связей между катушками. Числовые данные приведены в табл. 3
..... Таблица 3 Числовые параметры элементов и источников
Частота 50 Гц L4=L2
Задание: для гр. ЭN-05 Для электрической цепи, схема замещения которой представлена на рис 1-30, выполнить следующее: 1. Составить в общем виде систему уравнений на основании законов Кирхгофа для расчета токов во всех ветвях схемы, записав ее в двух формах: а) дифференциальной; б) комплексной, 2. Подготовить данные для расчета узловых потенциалов. 3. Вычислить токи ветвей 4. Составить баланс активных, реактивных и полных мощностей источников и приемников энергии. 5. Определить показания приборов. 6. Записать законы изменения мгновенных значений напряжения и тока, указанных в табл,4, и построить соответствующие им графики, 7. Построить топографическую диаграмму, совместив её с векторной диаграммой токов, для любого контура, содержащего источник ЭДС. 8. Записать, при каком соотношении параметров в части схемы, выделенной пунктиром, будет резонансный режим. Указания: а) коэффициент связи двух элементов с взаимной индуктивностью k=0,5; б) тип операционного усилителя студент берет по указанию преподавателя.
..... Таблица 4
..... | |||||||||||||||||||||||||||||||||||||||||||||||||||||||||||||||||||||||||||||||||||||||||||||||||||||||||||||||||||||||||||||||||||||||||||||||||||||||||||||||||||||||||||||||||||||||||||||||||||||||||||||||||||||||||||||||||||||||||||||||||||||||||||||||||||||||||||||||||||||||||||||||||||||||||||||||||||||||||||||||||||||||||||||||||||||||||||||||||||||||||||||||||||||||||||||||||||||||||||||||||||||||||||||||||||||||||||||||||||||||||||||||||||||||||||||||||||||||||||||||||||||||||||||||||||||||||||||||||||||||||||||||||||||||||||||||||||||||||||||||||||||||||||||||||||||||||||||||||||||||||||||||||||||||||||||||||||||||||||||||||||||||||||||||||||||||||||||||||||||||||||||||||||||||||||||||||||||||






