| Общая информация » Каталог студенческих работ » ТЕХНИЧЕСКИЕ ДИСЦИПЛИНЫ » Электротехника, электроэнергетика и электроника |
| 03.01.2026, 14:02 | |||||||||||||||||||||||||||||||||||||||||||||||||||||||
Практическое задание 1 Тема «Общие сведения о моделировании» Напишите небольшое эссе (не менее 1 страницы). Для этого придумайте объект. Попробуйте рассмотреть этот объект с точки зрения получения модели объекта. В эссе обязательно ответьте на вопросы: 1. Опишите объект максимально подробно, расскажите, какие функции он выполняет. 2. Классифицируйте модель. 3. Опишите входные и выходные переменные модели. 4. Рассмотрите модель с точки зрения адекватности и эффективности. 5. Опишите свойства объекта моделирования. 6. Сделайте выводы.
Практическое задание 2 Тема «Виды моделей» Напишите небольшое эссе (не менее 1 страницы). Для этого придумайте объект и модель для него. В эссе обязательно ответьте на вопросы: 1. Опишите объект максимально подробно, расскажите, какие функции он выполняет. 2. Опишите (и нарисуйте) модель на микроуровне. 3. Опишите (и нарисуйте) модель на макроуровне. 4. Опишите (и нарисуйте) модель на метауровне. 5. Сделайте выводы.
Практическое задание 3 Тема «Модели прогнозирования физических процессов» Напишите небольшое эссе (не менее 1 страницы). Для этого придумайте объект и модель для него. В эссе обязательно ответьте на вопросы: 1. Опишите объект максимально подробно, расскажите, какие функции он выполняет. 2. Опишите входные и выходные параметры вашей модели объекта. 3. Какие детерминированные и недетерминированные процессы происходят в вашей модели? 4. Можно ли детерминированные процессы из пункта 3 сделать недетерминированными? 5. Можно ли недетерминированные процессы из пункта 3 сделать детерминированными? 6. Сделайте выводы.
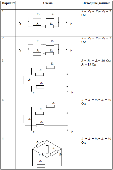
Практическое задание 4 Тема «Электроэнергетические системы. Их математические модели» Данное задание предполагает успешное предварительное изучение следующих предметов: математика, физика и электротехника (теоретические основы электротехники). Номер варианта работы определяется с помощью табл. 1. Таблица 1 Выбор варианта задания
Для каждого варианта задается своя электрическая цепь и исходные данные для этой цепи (см. табл. 2). Таблица 2 Исходные данные
Задание 1. Составить математическую модель (зависимость) расчета сопротивления Rab от всех сопротивлений. Для этого необходимо выполнить свертку электрической цепи: найти последовательное/параллельное соединение сопротивлений в буквенном виде. Результат должен получиться примерно такого вида:
2. Рассчитать сопротивление Rab для исходных данных. 3. Построить график зависимости сопротивления Rab(R1) от величины R1. Для этого в математическую модель нужно подставить значения всех сопротивлений, кроме значения R1. Значение R1 изменять от 0 до 150 Ом с шагом 10 Ом. Результаты расчета записать в табл. 3. По данным табл. 3 построить график зависимости Rab(R1). Таблица 3 Результаты расчетов
4. Проанализировать график, сделать выводы. | |||||||||||||||||||||||||||||||||||||||||||||||||||||||



