| Общая информация » Каталог студенческих работ » ТЕХНИЧЕСКИЕ ДИСЦИПЛИНЫ » Электротехника, электроэнергетика и электроника |
| 21.12.2025, 11:43 | ||||||||||||||||||||||||||||||||||||||||||||||||||||||||||||||||||||||||||||||||||||||||||||||||||||||||||||||||||||||||||||||||||||||||||||||||||||||||||||||||||||||||||||||||||||||||||||||||||||||||||||||||||||||||||||||||||||||||||||||||||||||||||||||||||||||||||||||||||||||||||||||||||||||||||||||||||||||||||||||||||||||||||||||||||||||||||||||||||||||||||||||||||||
Лабораторная работа № 1 Исследование выпрямительного полупроводникового диода 1. Исследовать ВАХ полупроводникового выпрямительного диода. Схема исследования прямой ветви ВАХ диода с помощью Electronics Workbench (ЕWB) приведена на рис.1.4. Для этого необходимо: 1. Активировать значок системы EWB. 2. В окне, с именем Electronics Workbench, на рабочее поле переместить графические изображения батареи, переменного сопротивления, диода, земли, вольтметра, амперметра, узловых точек. Символы земли и батареи находятся на панели с именем Sources, символы переменного резистора и узловых точек - на панели с именем Basic, диода - на панели с именем Diodes, вольтметра и амперметра - на панели с именем Indicators. На панели с именем Diodes выбрать тип исследуемого диода. После двойного щелчка мыши на символе диода открывается панель с именем Diode Properties. На этой панели выбрать имя библиотеки (Library). В нашем примере выбрана библиотека с именем Philips, в правом окне - модель диода, в нашем примере BA220. Нажать кнопку ОК. 3. Включается тумблер, расположенный справа в верхней части окна. 4. С помощью переменного сопротивления, включенного по схеме делителя напряжения, устанавливается необходимое значение напряжения на диоде. Для перемещения движка сопротивления необходимо сначала настроить параметры переменного сопротивления. Двойным щелчком мыши на символе переменного сопротивления открыть панель с именем Potentiometer Properties. В этой панели можно изменять величину сопротивления. В окне Setting установить исходное положение движка в процентах. В окне с именем Key записать символ ключа R. После установки параметров потенциометра нажать кнопку ОК. 5. Для увеличения величины напряжения, снимаемого с делителя, необходимо нажать на клавишу Shift и клавишу R, а для ее уменьшения - нажать на клавишу R. 6. Координаты точек вольт-амперной характеристики снять с помощью вольтметра и амперметра. 7. Изменять прямое напряжение диода в пределах, указанных в табл. 1.1, фиксируя значения тока через каждые (0,1 … 0,05) В.
Рис. 1.4. Схема исследования прямой ветви ВАХ диода Результаты измерений занести в табл. 1.1. Таблица 1.1
Для исследования обратной ветви ВАХ диода, необходимо перевернуть диод в схеме и, последовательно устанавливая значения Uобр, записать полученные значения тока Іобр в табл. 1.2. Таблица 1.2
2. По полученным данным табл. 1.1 и 1.2 постройте ВАХ диода. ВАХ диода можно получить в режиме вариации параметров напряжения или тока - DC Sweep. Воспроизведем принципиальную электрическую схему (рис.1.5.) в компьютерной среде EWB (диод BA220 фирмы Philips), обозначим номера узлов схемы, для чего следует использовать путь (Circuit \ Schematic Options \ Show Nodes \ OK). Определим прямую ветку ВАХ диода при вариации параметров источника питания: (Analysis \ DC Sweep). Для этого в диалоговом окне DC Sweep сделайте установки, отвечающие изменению напряжения на диоде от 0 до 0,6 В с шагом 0,01 В. Точка наблюдения (1) – потенциальная точка измерения напряжения на диоде. Далее щелчок клавиши моделирования (Simulate).
Рис. 1.5. Схема моделирования прямой ветви ВАХ диода В открытом диалоговом окне – результаты анализа (Analysis Graphs) будет изображен график ВАХ диода. На горизонтальной оси графика отложено напряжение на диоде, а на вертикальной – ток через него. Сделать клик на значке для нанесения сетки на график ВАХ. Количество клеток сетки можно устанавливать по вертикали и горизонтали независимо в диалоговом окне – параметры графика (Graph Properties). 3. По снятой ВАХ или таблицам, определить статическое и дифференциальное сопротивление диода в рабочих точках. Статическое и дифференциальное сопротивление диода рассчитать: в прямом включении в точке для Uпр =0,55В и при обратном включении для Uобр =5В. 4. Смоделировать схему однополупериодного выпрямителя на диоде (рис. 1.6).
Рис. 1.6. Однополупериодная схема выпрямления 5. Проанализировать результаты экспериментов и сделать выводы.
Лабораторная работа № 2 Исследование полупроводникового стабилитрона 1. Исследовать обратную ветвь ВАХ полупроводникового стабилитрона. Схема исследования обратной ветви ВАХ стабилитрона с помощью ЕWB приведена на рис.2.4.
Рис. 2.4. Схема исследования обратной ветви ВАХ стабилитрона Воспроизвести принципиальную электрическую схему (рис. 2.4) в компьютерной среде EWB, установить тип стабилитрона BZV37. Потенциометром R1 изменять обратное напряжение на стабилитроне в пределах, указанных в табл. 2.1. При появлении явления пробоя можно увеличить число фиксируемых точек характеристики. Для каждого значения напряжения измерять ток и заносить в табл. 2.1. Таблица 2.1
2. Построить график обратной ветви ВАХ стабилитрона. Изобразить ВАХ стабилитрона с обозначениями и размерностями осей. 3. Определить параметры стабилитрона. По ВАХ или таблице напряжение стабилизации стабилитрона Uст определять в точке, соответствующей значению среднего тока стабилизации. Сравнить полученные результаты по справочным данным стабилитрона. Дифференциальное сопротивление определяется отношением приращения напряжения к вызвавшему его приращению тока на рабочем участке (рис. 2.1,а.). Качество стабилитрона тем выше, чем меньше его дифференциальное сопротивление. Для различных стабилитронов rст лежит в пределах от десятых долей Ома (низковольтные) до десятков – сотен Ом. 4. Проанализировать результаты экспериментов и сделать выводы. Снять ВАХ стабилитрона можно в автоматическом режима. Для этого необходимо: ٠ воспроизвести принципиальную электрическую схему (рис. 2.6,а), обозначить номера узлов схемы (Circuit \ Schematic Options, закладка Show / Hide, поле Display, отметить Show nodes, OK); ٠ в режиме вариации параметров источника питания (Analysis \ DC Sweep), в диалоговом окне DC Sweep сделайте установки (рис. 2.7, б), соответствующие изменению напряжения на стабилитроне от 1 В до – 7 В с шагом 0,01 В, нажать на клавишу – моделирование (Simulate).
В открытом диалоговом окне – результаты анализа (Analysis Graphs), будут отображаться прямая и обратная ветви графика ВАХ стабилитрона (рис. 2.6,б).
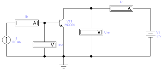
Лабораторная работа № 3, 4 Исследование характеристик биполярного транзистора 1. Исследовать характеристики и параметры БТ по схеме с ОЭ 1.1. Исследовать семейство статических ВАХ БТ по схеме ОЭ. Схема для исследования ВАХ транзистора показана на рис. 3.11. Семейство входных ВАХ IБ = f (UБЭ) снимать при фиксированных значениях UКЭ путем изменения тока IБ и измерением UБЭ. Семейство выходных ВАХ IК = f(UКЭ) снимать при фиксированных значениях IБ путем изменения напряжения UКЭ и измерением IК.
Рис. 3.11. Схема исследования ВАХ БТ по схеме ОЭ Задавая значения тока базы (с помощью источника І1) в пределах от 1 ... 200 мкА, а также значения напряжения на коллекторе ( с помощью источника V1 от 0 до 12 В) и измеряя напряжение на базе UБЭ и ток коллектора IК, можно построить все необходимые ВАХ. Результаты измерений занести в соответствующие таблицы (табл. 3.3, 3.4) и построить графики входных и выходных ВАХ транзистора. Таблица 3.3
Таблица 3.4
1.2. Определить h – параметры транзистора в схеме ОЭ. Определять h – параметры транзистора необходимо по характеристикам в окрестности выбранной рабочей точки: ٠ h11Э = DUБЭ / DIБ при заданном напряжении коллектора UКЭ; ٠ h12Э = DUБЭ / DUКЭ при заданном токе базы IБ; ٠ h21Э = DIК / DIБ при заданном напряжении коллектора UКЭ; ٠ h22Э = DIК / DUКЭ при заданном токе базы IБ . 1.3. Оценить расчетный коэффициент усиления по напряжению. На выходных ВАХ БТ построить линию нагрузки и рассчитать коэффициент усиления по напряжению. 2. Исследовать характеристики и параметры БТ по схеме ОБ 2.1. Исследовать семейство статических ВАХ БТ по схеме ОБ. Схема для исследования ВАХ транзистора показана на рис. 3.12. Семейство входных ВАХ БТ по схеме ОБ IЭ = f (UЭБ) снимать при фиксированных значениях UКБ путем изменения тока IЭ и измерением UЭБ. Семейство выходных ВАХ IК = f(UКБ) снимать при фиксированных значениях IЭ путем изменения напряжения UКБ и измерением IК.
Рис. 3.12. Схема исследования ВАХ БТ по схеме ОБ Результаты измерений занести в соответствующие таблицы (табл. 3.5, 3.6) и построить графики входной и выходной ВАХ транзистора по схеме ОБ. Таблица 3.5
Таблица 3.6
2.2. Определить h – параметры транзистора в схеме ОБ. Для определения h – параметров БТ в схеме ОБ воспользуемся результатами расчета h – параметров БТ в схеме с ОЭ и формулами пересчета этих параметров для схем ОЭ и ОБ (табл. 3.1). 3. Проанализировать результаты экспериментов и сделать выводы.
Лабораторная работа № 5 Исследование тиристора 1. Исследовать ВАХ тиристора. Для исследования ВАХ тиристора с помощью ЕWB необходимо: ٠ собрать схему, показанную на рис. 5.4; ٠ снять зависимость тока анода тиристора І = f(U) для трех значений тока управления, начиная с Iупр = 0.
Рис. 5.4. Схема исследования прямой ветви ВАХ тиристора Координаты точек ВАХ снимают с помощью вольтметров и амперметров. Результаты измерений занести в таблицу 5.1. Таблица 5.1
2. По полученным данным построить ВАХ тиристора. Рис. 5.5. Семейство ВАХ тиристора ВАХ тиристора можно получить в режиме вариации параметров напряжения и тока - DC Sweep. Воспроизведите принципиальную электрическую схему (рис. 5.6) в компьютерной среде EWB, обозначив номера узлов схемы по пути (Circuit \ Schematic Options \ Show Nodes \ OK).
Рис. 5.6. Схема моделирования прямой ветви ВАХ тиристора 3. Определить основные параметры тиристора: напряжение включения Uвкл – наименьшее прямое напряжение, которое переключает тиристор из закрытого в открытое состояние; ток включения Івкл – минимальный прямой ток тиристора после его включения; ток удержания Іуд – минимальный прямой ток, который, протекая через тиристор при разомкнутой цепи управления, не выключает его. Результаты занести в табл. 5. 2. Таблица 5.2
4. Проанализировать результаты экспериментов и сделать выводы.
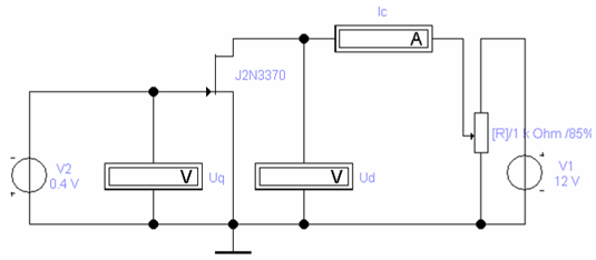
Лабораторная работа № 6 Исследование полевого транзистора с управляющим р-n-переходом 1. Исследовать семейства стоко-затворных и стоковых характеристик ПТ с управляющим р-n-переходом в схеме с общим истоком. Для исследования семейства ВАХ ПТ можно использовать схему на рис. 6.7.
Рис. 6.7. Схема исследования семейства ВАХ ПТ с управляющим р-n-переходом Схема содержит источник напряжения между затвором и истоком U2, исследуемый транзистор VT, источник питания V1, вольтметры Ud, Uq для контроля напряжений и амперметр Iс для измерения тока стока. Стоковые характеристики снимаются при фиксированных значениях Uq путем изменения напряжения Ud и измерения тока стока ІС. Результаты измерений занести в соответствующие таблицы (табл. 6.1; 6.2) и построить графики стоко-затворных и стоковых характеристик транзистора. По виду характеристик определить тип канала. Таблица 6.1
Таблица 6.2
2. Рассчитать дифференциальные параметры ПТ с управляющим р-n-переходом: 1. Крутизну характеристики – S = ΔІС / ΔUЗИ при UСИ = const. 2. Внутреннее сопротивление Ri = RВЫХ = Δ UСИ / ΔІС при UЗИ = const. 3. Коэффициент усиления по напряжению – μ = S·Ri = ΔUСИ / ΔUЗИ при ІС= const. Расчет параметров ПТ провести в рабочей точке, ток в которой составляет 5 ... 10 мА. 3. Проанализировать результаты экспериментов и сделать выводы.
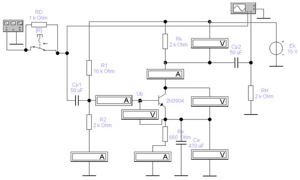
Лабораторная работа № 7 Исследование транзисторного усилителя по схеме с общим эмиттером Задание лабораторной работы Виртуальная схема исследования в среде моделирования Еlectronics Workbench ( ЕWB) приведена на рис. 7.5.
Рис. 7.5. Схема исследования характеристик и параметров усилителя Значения параметров элементов схемы следующие: 2N3904 - биполярный транзистор n-p-n типа; ЕК = 15 В; h21=155; R1 =10 кОм; R2 = 2 кОм; RK = 2 кОм; RЭ =660 Ом; RH = 2 кОм; С1 = С2 = СЭ = 50 мкФ. 1. Для заданных параметров элементов схемы рис. 5 рассчитать величину напряжения в точке – UБ, значения токов делителя – ІД, базы – ІБ, эмиттера – ІЭ, коллектора – ІК и величину напряжения – UКЭ, которые определяют режим покоя. 2. Открыть файл со схемою ( см. рис. 5 ). Нажав на кнопку “ Пуск ” включить схему. Сравнить результаты измерения напряжения и токов с расчетными значениями, сделать выводы. 3. Рассчитать основные параметры схемы усилителя – RВХ; RВЫХ; KU; KI. 4. Снять и построить амплитудную характеристику усилителя. Определить KU; RВХ; RВЫХ. 5. Снять и построить амплитудно-частотную характеристику усилителя. Определить fН.гр ; fВ.гр ; Df = fВ.гр - fН.гр . 6. Провести сравнительный анализ теоретических расчетов и результатов эксперимента, сделать выводы. | ||||||||||||||||||||||||||||||||||||||||||||||||||||||||||||||||||||||||||||||||||||||||||||||||||||||||||||||||||||||||||||||||||||||||||||||||||||||||||||||||||||||||||||||||||||||||||||||||||||||||||||||||||||||||||||||||||||||||||||||||||||||||||||||||||||||||||||||||||||||||||||||||||||||||||||||||||||||||||||||||||||||||||||||||||||||||||||||||||||||||||||||||||||











