| Общая информация » Каталог студенческих работ » ТЕХНИЧЕСКИЕ ДИСЦИПЛИНЫ » Электротехника, электроэнергетика и электроника |
| 30.01.2026, 11:39 | |
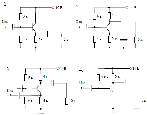
Контрольная работа №1 предполагает выполнение двух задач по анализу усилительных каскадов на биполярном транзисторе и операционном усилителе. Код варианта определяет схемы, анализируемые при выполнении задачи 1 и задачи 2 соответственно (выбираются из приведенных ниже заданий). Задача 1 1. Указать способ включения транзистора. Рассчитать координаты точки покоя (напряжение и ток в выходной цепи транзистора до подачи входного сигнала) и их нестабильность в диапазоне температур (20…50) оС. 2. Построить нагрузочные прямые постоянного и переменного тока. 3. Изобразить эквивалентную схему каскада УНЧ для рабочего диапазона частот (области средних частот). Оценить коэффициент усиления по напряжению, входное и выходное сопротивления. 4. Характеристики и параметры транзистора приведены в приложении Г. Варианты заданий для задачи 1
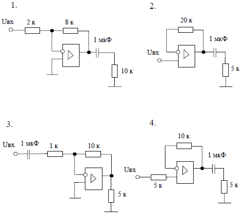
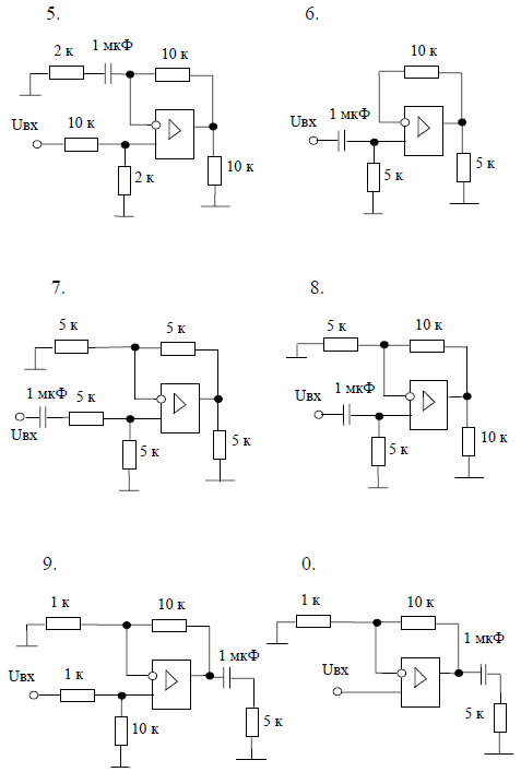
Задача 2 1. Определить коэффициент усиления по напряжению на средних частотах. 2. Определить входное и выходное сопротивления. 3. Оценить полосу пропускания на уровне 3 дБ. 4. Оценить возможную ошибку смещения нуля и дрейф нулевого уровня на выходе операционного усилителя в диапазоне температур (20…50)оС. 5. Характеристики и параметры ОУ приведены в приложении Д. Варианты заданий для задачи 2
| |




