КОНТРОЛЬНАЯ РАБОТА № 2
«РАСЧЕТ РАЗВЕТВЛЕННЫХ ЦЕПЕЙ ПОСТОЯННОГО И ПЕРЕМЕННОГО ТОКОВ»
Задание на контрольную работу
Обобщенная схема цепи постоянного тока, из которой формируются индивидуальные расчетные схемы, приведена на рис. 27.
Параметры элементов берутся из таблиц Б.1 и Б.2 (приложение Б).
Выбор варианта контрольной работы осуществляется по общим правилам с использованием следующей формулы:
V = (N × K) div 100,
где V – искомый номер варианта,
N – общее количество вариантов, div – целочисленное деление,
при V = 0 выбирается максимальный вариант, K – код варианта.

Рис. 27
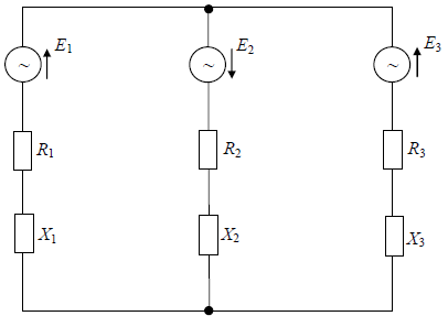
Обобщенная схема цепи переменного тока приведена на рис. 28, параметры элементов помещены в таблицы Б.3 (приложение Б).

Рис. 28
В контрольной работе необходимо выполнить следующее задание:
1. Рассчитать токи всех ветвей цепи постоянного тока любым методом по выбору студента. Произвести проверку расчетов составлением баланса мощностей. Произвести расчет тока одной любой ветви методом эквивалентного генератора.
2.Рассчитать действующие значения токов всех ветвей цепи синусоидального переменного тока любым методом по выбору студента. Произвести проверку расчетов составлением баланса активной и реактивной мощностей. Построить векторную диаграмму напряжений для любого одного замкнутого контура.
ПРИЛОЖЕНИЕ Б
(обязательное)
Варианты заданий для контрольной работы № 2
Таблица Б.1 – Исходные данные к контрольной работе № 2
|
Вариант
|
E1, В
|
E3, В
|
E4, В
|
E5, В
|
E6, В
|
E8, В
|
|
1
|
0
|
15
|
0
|
20
|
0
|
10
|
|
2
|
15
|
0
|
0
|
12
|
0
|
10
|
|
3
|
10
|
0
|
0
|
20
|
15
|
0
|
|
4
|
0
|
0
|
25
|
0
|
20
|
16
|
|
5
|
0
|
5
|
10
|
15
|
0
|
0
|
|
6
|
12
|
0
|
8
|
6
|
0
|
0
|
|
7
|
0
|
0
|
10
|
0
|
17
|
20
|
|
8
|
26
|
0
|
14
|
0
|
18
|
0
|
|
9
|
0
|
0
|
12
|
18
|
24
|
0
|
|
10
|
14
|
21
|
0
|
17
|
0
|
0
|
|
11
|
0
|
0
|
26
|
0
|
20
|
17
|
|
12
|
0
|
12
|
0
|
16
|
0
|
12
|
|
13
|
13
|
0
|
0
|
10
|
0
|
20
|
|
14
|
8
|
0
|
0
|
17
|
14
|
0
|
|
15
|
0
|
0
|
22
|
0
|
18
|
12
|
|
16
|
0
|
24
|
0
|
18
|
0
|
10
|
|
17
|
22
|
0
|
0
|
16
|
0
|
12
|
|
18
|
30
|
0
|
0
|
14
|
22
|
0
|
|
19
|
0
|
0
|
33
|
0
|
25
|
11
|
|
20
|
0
|
10
|
30
|
20
|
0
|
0
|
|
21
|
28
|
0
|
10
|
18
|
0
|
0
|
|
22
|
0
|
0
|
13
|
0
|
20
|
32
|
|
23
|
13
|
0
|
30
|
0
|
18
|
0
|
|
24
|
0
|
0
|
25
|
15
|
10
|
0
|
|
25
|
20
|
14
|
0
|
30
|
0
|
0
|
|
26
|
0
|
0
|
32
|
0
|
21
|
15
|
|
27
|
0
|
20
|
0
|
30
|
0
|
10
|
|
28
|
10
|
0
|
0
|
32
|
0
|
23
|
|
29
|
30
|
0
|
0
|
21
|
12
|
0
|
|
30
|
0
|
0
|
12
|
0
|
24
|
30
|
Таблица Б.2. – Исходные данные к контрольной работе № 2
|
Вариант
|
R1, Ом
|
g2, См
|
R3, Ом
|
R4, Ом
|
R5, Ом
|
R6, Ом
|
g7, См
|
R8, Ом
|
|
1
|
15
|
0
|
30
|
13
|
20
|
10
|
0,04
|
15
|
|
2
|
18
|
0,01
|
18
|
20
|
10
|
12
|
0
|
30
|
|
3
|
24
|
0
|
25
|
30
|
10
|
18
|
0,033
|
20
|
|
4
|
25
|
0,014
|
0
|
17
|
¥
|
25
|
0,029
|
30
|
|
5
|
20
|
0,04
|
25
|
25
|
17
|
16
|
0
|
0
|
|
6
|
30
|
0,02
|
¥
|
40
|
50
|
10
|
0,01
|
0
|
|
7
|
45
|
0,033
|
35
|
18
|
¥
|
40
|
0,025
|
27
|
|
8
|
25
|
0,01
|
¥
|
60
|
45
|
30
|
0,02
|
0
|
|
9
|
55
|
0
|
0
|
44
|
65
|
25
|
0,022
|
0
|
|
10
|
17
|
0,038
|
38
|
63
|
24
|
47
|
0
|
0
|
|
11
|
0
|
0,009
|
17
|
32
|
¥
|
20
|
0,015
|
15
|
|
12
|
14
|
0,04
|
15
|
4
|
18
|
¥
|
0,05
|
24
|
|
13
|
20
|
0
|
16
|
18
|
10
|
10
|
0,018
|
15
|
|
14
|
21
|
0,018
|
22
|
26
|
10
|
15
|
0
|
18
|
|
15
|
22
|
0
|
0
|
14
|
15
|
24
|
0,033
|
27
|
|
16
|
20
|
0
|
32
|
10
|
20
|
10
|
0,05
|
18
|
|
17
|
16
|
0,01
|
40
|
30
|
24
|
16
|
0
|
10
|
|
18
|
14
|
0
|
18
|
28
|
20
|
20
|
0,033
|
28
|
|
19
|
28
|
0,014
|
0
|
18
|
¥
|
26
|
0,03
|
18
|
|
20
|
16
|
0,05
|
26
|
20
|
16
|
20
|
0
|
0
|
|
21
|
10
|
0,04
|
¥
|
20
|
30
|
30
|
0,01
|
0
|
|
22
|
40
|
0,033
|
30
|
24
|
¥
|
30
|
0,025
|
24
|
|
23
|
20
|
0,01
|
¥
|
18
|
32
|
18
|
0,02
|
0
|
|
24
|
26
|
0
|
0
|
20
|
17
|
15
|
0,025
|
0
|
|
25
|
20
|
0,038
|
25
|
20
|
25
|
30
|
0
|
0
|
|
26
|
0
|
0,01
|
18
|
30
|
¥
|
24
|
0,015
|
24
|
|
27
|
20
|
0,05
|
25
|
30
|
25
|
¥
|
0,05
|
18
|
|
28
|
15
|
0
|
16
|
20
|
30
|
30
|
0,018
|
20
|
|
29
|
25
|
0,01
|
20
|
20
|
32
|
32
|
0
|
20
|
|
30
|
42
|
0
|
0
|
21
|
21
|
30
|
0,033
|
10
|
Таблица Б.3 – Исходные данные к контрольной работе № 2
|
Вариант
|
E1, В
|
E2, В
|
E3, В
|
f, Гц
|
R1, Ом
|
R2, Ом
|
R3, Ом
|
X1
|
X2
|
X3
|
|
1
|
0
|
15
|
24
|
50
|
50
|
60
|
70
|
–
|
0,2 Гн
|
–
|
|
2
|
20
|
0
|
36
|
60
|
40
|
40
|
70
|
–
|
0,1 Гн
|
–
|
|
3
|
24
|
40
|
0
|
100
|
60
|
60
|
45
|
0,1 Гн
|
–
|
–
|
|
4
|
0
|
36
|
24
|
150
|
56
|
70
|
50
|
0,06 Гн
|
–
|
–
|
|
5
|
25
|
0
|
36
|
200
|
50
|
65
|
50
|
–
|
–
|
0,04 Гн
|
|
6
|
30
|
16
|
0
|
300
|
50
|
36
|
27
|
–
|
–
|
0,01 Гн
|
|
7
|
0
|
20
|
30
|
400
|
26
|
40
|
36
|
–
|
0,02 Гн
|
–
|
|
8
|
18
|
0
|
28
|
50
|
50
|
60
|
70
|
–
|
50 мкФ
|
–
|
|
9
|
25
|
35
|
0
|
60
|
40
|
40
|
70
|
0,15 Гн
|
–
|
–
|
|
10
|
0
|
15
|
25
|
100
|
60
|
60
|
45
|
30 мкФ
|
–
|
–
|
|
11
|
30
|
0
|
40
|
200
|
56
|
70
|
50
|
–
|
–
|
16 мкФ
|
|
12
|
40
|
28
|
0
|
300
|
50
|
65
|
40
|
–
|
–
|
13 мкФ
|
|
13
|
0
|
40
|
20
|
400
|
56
|
30
|
24
|
–
|
13 мкФ
|
–
|
|
14
|
24
|
0
|
36
|
50
|
26
|
32
|
40
|
–
|
0,1 Гн
|
–
|
|
15
|
28
|
36
|
0
|
60
|
50
|
70
|
60
|
50 мкФ
|
–
|
–
|
|
16
|
0
|
16
|
27
|
100
|
40
|
70
|
40
|
0,06 Гн
|
–
|
–
|
|
17
|
18
|
0
|
36
|
200
|
45
|
60
|
60
|
–
|
–
|
0,04 Гн
|
|
18
|
20
|
30
|
0
|
300
|
50
|
36
|
62
|
–
|
–
|
0,03 Гн
|
|
19
|
0
|
24
|
36
|
400
|
40
|
50
|
70
|
–
|
0,02 Гн
|
–
|
|
20
|
24
|
0
|
40
|
50
|
30
|
56
|
60
|
–
|
50 мкФ
|
–
|
|
21
|
40
|
15
|
0
|
60
|
40
|
56
|
56
|
70 мкФ
|
–
|
–
|
|
22
|
0
|
24
|
28
|
100
|
32
|
30
|
48
|
50 мкФ
|
–
|
–
|
|
23
|
25
|
0
|
36
|
200
|
36
|
60
|
50
|
–
|
–
|
16 мкФ
|
|
24
|
30
|
20
|
0
|
300
|
50
|
36
|
56
|
–
|
–
|
10 мкФ
|
|
25
|
0
|
25
|
35
|
400
|
40
|
40
|
60
|
–
|
10 мкФ
|
–
|
|
26
|
34
|
0
|
26
|
50
|
56
|
36
|
70
|
–
|
0,1 Гн
|
–
|
|
27
|
26
|
36
|
0
|
60
|
60
|
30
|
45
|
0,16 Гн
|
–
|
–
|
|
28
|
0
|
18
|
30
|
100
|
56
|
40
|
32
|
0,09 Гн
|
–
|
–
|
|
29
|
36
|
0
|
18
|
200
|
50
|
40
|
30
|
–
|
–
|
0,04 Гн
|
|
30
|
20
|
30
|
0
|
300
|
40
|
50
|
60
|
–
|
–
|
0,03 Гн
|
|