Текстовая часть контрольной работы предполагает решение задач по модулю 4 («Методы расчета сложных электрических цепей») электронного курса по дисциплине.
Необходимо решить и передать на проверку четыре задачи в соответствии со своим вариантом. Обязательными для всех являются задачи 1 и 2, еще две задачи выбираются самостоятельно из задач 3–6.
Номер варианта выбирается по общим правилам с использованием следующей формулы:
V = (N × K) div 100,
где V – искомый номер варианта,
N – общее количество вариантов,
K – код варианта,
div – целочисленное деление.
При V = 0 выбирается максимальный вариант.
Задачи по модулю 4 «Методы расчета сложных электрических цепей»
Задача 1 (обязательная для всех)
Определите напряжение UR2 в электрической цепи (рис. 3.1), если известны сопротивления R1 и R2 и ЭДС E (табл. 3.1).

Рис. 3.1 – Электрическая цепь к задаче 1
Таблица 3.1 – Исходные данные по вариантам
|
№ варианта
|
Исходные данные
|
|
Е, В
|
R1, Ом
|
R2, Ом
|
|
1
|
1
|
100
|
400
|
|
2
|
30
|
1000
|
500
|
|
3
|
12
|
10
|
10
|
|
4
|
15
|
36
|
24
|
|
5
|
10
|
24
|
36
|
|
6
|
12
|
12
|
12
|
|
7
|
6
|
36
|
12
|
|
8
|
8
|
1000
|
600
|
|
9
|
9
|
100
|
60
|
|
10
|
100
|
25
|
75
|
|
11
|
25
|
25
|
100
|
|
12
|
20
|
36
|
4
|
|
13
|
16
|
12
|
8
|
|
14
|
36
|
24
|
56
|
|
15
|
100
|
36
|
44
|
|
16
|
24
|
100
|
20
|
|
17
|
5
|
5
|
35
|
|
18
|
10
|
10
|
90
|
|
19
|
15
|
25
|
100
|
|
20
|
20
|
24
|
16
|
|
21
|
48
|
16
|
14
|
|
22
|
6
|
3
|
9
|
|
23
|
9
|
9
|
45
|
|
24
|
0,5
|
12
|
48
|
|
25
|
2
|
36
|
108
|
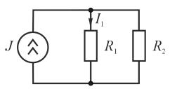
Задача 2 (обязательная для всех)
Определите ток I1 в электрической цепи (рис. 3.2), если известны сопротивления R1 и R2 и ток J (табл. 3.2).

Рис. 3.2 – Электрическая цепь к задаче 2
Таблица 3.2 – Исходные данные по вариантам
|
№ варианта
|
Исходные данные
|
|
J, A
|
R1, Ом
|
R2, Ом
|
|
1
|
3
|
100
|
50
|
|
2
|
12
|
100
|
50
|
|
3
|
6
|
100
|
100
|
|
4
|
5
|
36
|
12
|
|
5
|
15
|
36
|
36
|
|
6
|
36
|
12
|
6
|
|
7
|
3
|
36
|
12
|
|
8
|
4
|
200
|
600
|
|
9
|
18
|
100
|
50
|
|
10
|
10
|
75
|
125
|
|
11
|
25
|
25
|
100
|
|
12
|
2
|
36
|
4
|
|
13
|
1,6
|
12
|
8
|
|
14
|
3,6
|
24
|
56
|
|
15
|
10
|
36
|
44
|
|
16
|
0,24
|
100
|
20
|
|
17
|
50
|
5
|
35
|
|
18
|
20
|
10
|
90
|
|
19
|
7,5
|
25
|
100
|
|
20
|
4
|
24
|
16
|
|
21
|
18
|
16
|
14
|
|
22
|
60
|
3
|
9
|
|
23
|
81
|
9
|
45
|
|
24
|
3,5
|
12
|
48
|
|
25
|
8
|
36
|
108
|
Задача 3 (необходимо выполнить только две задачи на выбор из задач 3–6)
Рассчитайте ток I в электрической цепи (рис. 3.3), если известны сопротивления R1, R2, R3, ток J и ЭДС Е1, Е2 (табл. 3.3).

Рис. 3.3 – Электрическая цепь к задаче 3
Таблица 3.3 – Исходные данные по вариантам
|
№ варианта
|
Исходные данные
|
|
J, A
|
E1, В
|
E2, В
|
R1, Ом
|
R2, Ом
|
R3, Ом
|
|
1
|
3
|
12
|
5
|
100
|
50
|
100
|
|
2
|
12
|
6
|
10
|
36
|
50
|
33
|
|
3
|
6
|
5
|
15
|
100
|
100
|
36
|
|
4
|
5
|
12
|
8
|
24
|
60
|
430
|
|
5
|
15
|
36
|
25
|
360
|
400
|
47
|
|
6
|
36
|
2,5
|
12
|
25
|
36
|
5600
|
|
7
|
3
|
5
|
15
|
180
|
12
|
68
|
|
8
|
1
|
0,5
|
2
|
160
|
250
|
75
|
|
9
|
18
|
24
|
36
|
27
|
600
|
110
|
|
10
|
10
|
6
|
8
|
24
|
125
|
130
|
|
11
|
25
|
12
|
8
|
36
|
100
|
15
|
|
12
|
2
|
25
|
12
|
9
|
4
|
16
|
|
13
|
1,6
|
6
|
7
|
91
|
600
|
12
|
|
14
|
3,6
|
6
|
3
|
14
|
25
|
510
|
|
15
|
10
|
3,6
|
10
|
16
|
44
|
300
|
|
16
|
0,24
|
9
|
4
|
30
|
20
|
27
|
|
17
|
50
|
50
|
45
|
32
|
35
|
130
|
|
18
|
20
|
6
|
12
|
47
|
90
|
47
|
|
19
|
7,5
|
6
|
2,5
|
24
|
100
|
160
|
|
20
|
4
|
1
|
9
|
27
|
16
|
18
|
|
21
|
18
|
3
|
4
|
56
|
14
|
47
|
|
22
|
60
|
13
|
11
|
64
|
9
|
910
|
|
23
|
8
|
14
|
14
|
70
|
6200
|
3300
|
|
24
|
3,5
|
8
|
8
|
82
|
560
|
22
|
|
25
|
8
|
14
|
7
|
130
|
180
|
120
|
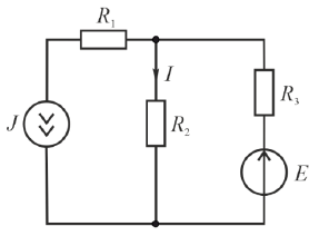
Задача 4 (необходимо выполнить только две задачи на выбор из задач 3–6)
Рассчитайте ток I в электрической цепи (рис. 3.4), если известны сопротивления R1, R2, R3, ток J и ЭДС E (табл. 3.4).

Рис. 3.4 – Электрическая цепь к задаче 4
Таблица 3.4 – Исходные данные по вариантам
|
№ варианта
|
Исходные данные
|
|
J, А
|
E, В
|
R1, Ом
|
R2, Ом
|
R3, Ом
|
|
1
|
1
|
100
|
12
|
25
|
12
|
|
2
|
0,1
|
15
|
36
|
50
|
33
|
|
3
|
0,05
|
20
|
100
|
100
|
36
|
|
4
|
0,5
|
50
|
24
|
60
|
10
|
|
5
|
0,5
|
91
|
360
|
400
|
40
|
|
6
|
0,1
|
75
|
25
|
36
|
450
|
|
7
|
0,1
|
100
|
180
|
12
|
68
|
|
8
|
0,2
|
50
|
160
|
250
|
75
|
|
9
|
0,3
|
80
|
27
|
600
|
11
|
|
10
|
0,4
|
100
|
24
|
125
|
13
|
|
11
|
0,5
|
55
|
36
|
100
|
15
|
|
12
|
0,6
|
36
|
9
|
4
|
16
|
|
13
|
0,7
|
40
|
91
|
600
|
12
|
|
14
|
0,8
|
44
|
14
|
25
|
25
|
|
15
|
0,9
|
66
|
16
|
44
|
30
|
|
16
|
1
|
120
|
30
|
20
|
27
|
|
17
|
0,05
|
100
|
32
|
35
|
130
|
|
18
|
1
|
75
|
47
|
100
|
47
|
|
19
|
0,01
|
60
|
24
|
100
|
160
|
|
20
|
0,15
|
56
|
27
|
16
|
18
|
|
21
|
0,25
|
45
|
56
|
14
|
47
|
|
22
|
0,3
|
90
|
64
|
9
|
91
|
|
23
|
0,02
|
120
|
70
|
6200
|
330
|
|
24
|
0,06
|
150
|
82
|
560
|
22
|
|
25
|
0,8
|
120
|
130
|
180
|
120
|
Задача 5 (необходимо выполнить только две задачи на выбор из задач 3–6)
Определите потенциал узла 1 в электрической цепи (рис. 3.5), если известны сопротивления R1, R2, R3, ток J и ЭДС E1, E2 (табл. 3.5).

Рис. 3.5 – Электрическая цепь к задаче 5
Таблица 3.5 – Исходные данные по вариантам
|
№ варианта
|
Исходные данные
|
|
J, А
|
E1, В
|
E2, В
|
R1, Ом
|
R2, Ом
|
R3, Ом
|
|
1
|
0,2
|
10
|
5
|
100
|
25
|
36
|
|
2
|
0,1
|
15
|
3
|
36
|
50
|
33
|
|
3
|
0,05
|
20
|
56
|
100
|
100
|
36
|
|
4
|
0,5
|
50
|
25
|
24
|
60
|
10
|
|
5
|
0,5
|
91
|
12
|
360
|
400
|
40
|
|
6
|
0,1
|
75
|
36
|
25
|
36
|
450
|
|
7
|
0,1
|
100
|
56
|
180
|
12
|
68
|
|
8
|
0,2
|
50
|
1,2
|
160
|
240
|
75
|
|
9
|
0,3
|
80
|
3
|
27
|
600
|
11
|
|
10
|
0,4
|
100
|
9
|
24
|
125
|
13
|
|
11
|
0,5
|
55
|
91
|
36
|
100
|
15
|
|
12
|
0,6
|
36
|
125
|
9
|
4
|
16
|
|
13
|
0,7
|
40
|
56
|
91
|
600
|
12
|
|
14
|
0,8
|
44
|
5,6
|
15
|
25
|
25
|
|
15
|
0,9
|
66
|
45
|
16
|
44
|
30
|
|
16
|
1
|
120
|
4
|
30
|
20
|
27
|
|
17
|
0,05
|
100
|
3
|
32
|
35
|
130
|
|
18
|
1
|
75
|
0,6
|
47
|
100
|
47
|
|
19
|
0,01
|
60
|
12
|
24
|
100
|
160
|
|
20
|
0,15
|
56
|
46
|
27
|
16
|
18
|
|
21
|
0,25
|
45
|
91
|
56
|
14
|
47
|
|
22
|
0,3
|
90
|
8
|
64
|
9
|
91
|
|
23
|
0,02
|
120
|
15
|
70
|
6200
|
330
|
|
24
|
0,06
|
150
|
16
|
82
|
560
|
22
|
|
25
|
0,8
|
120
|
22
|
130
|
180
|
120
|
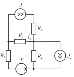
Задача 6 (необходимо выполнить только две задачи на выбор из задач 3–6)
Рассчитайте напряжение на резисторе R2 в электрической цепи (рис. 3.6), если известны сопротивления R1, R2, R3, R4, токи J1, J2 и ЭДС E (табл. 3.6).

Рис. 3.6 – Электрическая цепь к задаче 6
Таблица 3.6 – Исходные данные по вариантам
|
№ варианта
|
Исходные данные
|
|
J1, А
|
J2, А
|
E, В
|
R1, Ом
|
R2, Ом
|
R3, Ом
|
R4, Ом
|
|
1
|
0,1
|
0,2
|
14
|
27
|
12
|
16
|
25
|
|
2
|
0,1
|
0,1
|
3
|
36
|
50
|
33
|
17
|
|
3
|
2
|
1
|
56
|
100
|
100
|
36
|
120
|
|
4
|
1
|
2
|
25
|
24
|
60
|
10
|
25
|
|
5
|
0,5
|
1
|
12
|
360
|
400
|
40
|
22
|
|
6
|
0,1
|
0,1
|
36
|
25
|
36
|
450
|
60
|
|
7
|
0,1
|
0,3
|
56
|
180
|
12
|
68
|
50
|
|
8
|
0,2
|
0,5
|
1,2
|
160
|
240
|
75
|
45
|
|
9
|
0,3
|
0,01
|
3
|
27
|
600
|
11
|
81
|
|
10
|
0,4
|
0,5
|
9
|
24
|
125
|
13
|
23
|
|
11
|
0,5
|
0,2
|
91
|
36
|
100
|
15
|
12
|
|
12
|
0,6
|
1
|
125
|
9
|
4
|
16
|
9
|
|
13
|
0,7
|
0,3
|
56
|
91
|
600
|
12
|
10
|
|
14
|
0,8
|
0,01
|
5,6
|
15
|
25
|
25
|
12
|
|
15
|
0,9
|
0,02
|
45
|
16
|
44
|
30
|
120
|
|
16
|
1
|
0,03
|
4
|
30
|
20
|
27
|
14
|
|
17
|
0,05
|
0,001
|
3
|
32
|
35
|
130
|
25
|
|
18
|
1
|
0,2
|
0,6
|
47
|
100
|
47
|
36
|
|
19
|
0,9
|
2
|
12
|
24
|
100
|
160
|
42
|
|
20
|
0,2
|
1,2
|
46
|
27
|
16
|
18
|
46
|
|
21
|
0,25
|
1,1
|
91
|
56
|
14
|
47
|
48
|
|
22
|
0,6
|
1,5
|
8
|
64
|
9
|
91
|
56
|
|
23
|
0,3
|
1
|
15
|
70
|
6200
|
330
|
150
|
|
24
|
4
|
4
|
16
|
82
|
560
|
22
|
450
|
|
25
|
1
|
1
|
22
|
130
|
180
|
120
|
560
|
|