Требования к контрольной работе.
1. Контрольная работа выполняется в тетради в клетку аккуратным разборчивым почерком или в электронном виде на формате А4, с указанием соответствующих данных на титульном листе (ФИО, группа, семестр, дисциплина, шифр зачетной книжки, номер выбранного варианта).
2. Все схемы расчётные, таблицы и векторные диаграммы выполнять карандашом, или в специальных программах для ЭВМ (Компас, AutoCad и др.).
3. Задачи должны содержать исходные данные по вашему варианту, сведённые в таблицу, электрическую схему и необходимые пояснения к ходу решения. Все вычисления приводить в решении задач.
4. Контрольная работа загружается в личный кабинет студента на сайте университета. Предоставляется в распечатанном виде преподавателю.
Задача№1 Анализ линейной цепи постоянного тока.
Схемы электрических цепей приведены после таблицы №1. Параметры элементов схемы помещены в таблице №1. Вариант определяется как сумма последних трех цифр шифра зачетки.
Требуется:
1. Составить уравнения по законам Кирхгофа (не решая их).
2. Определить токи ветвей методом контурных токов.
3. Составить баланс мощностей.
4. Определить показания вольтметра.
Таблица 1
|
№ вар
|
№ рис
|
Е1
|
Е2
|
Е3
|
Е4
|
Е5
|
Е6
|
R1
|
R2
|
R3
|
R4
|
R5
|
R6
|
R7
|
R8
|
R9
|
R10
|
|
В
|
Ом
|
|
1
|
1
|
10
|
5
|
12
|
10
|
10
|
18
|
1
|
2
|
4
|
2
|
4
|
10
|
2
|
-
|
-
|
-
|
|
2
|
2
|
10
|
8
|
5
|
12
|
8
|
12
|
2
|
4
|
6
|
4
|
4
|
4
|
3
|
8
|
-
|
-
|
|
3
|
3
|
15
|
6
|
8
|
5
|
15
|
15
|
4
|
8
|
10
|
6
|
8
|
8
|
5
|
-
|
-
|
-
|
|
4
|
4
|
18
|
8
|
6
|
8
|
8
|
10
|
6
|
10
|
8
|
2
|
8
|
6
|
6
|
-
|
-
|
-
|
|
5
|
5
|
12
|
10
|
10
|
6
|
12
|
8
|
2
|
8
|
2
|
4
|
10
|
8
|
5
|
2
|
-
|
-
|
|
6
|
6
|
10
|
5
|
12
|
10
|
10
|
15
|
1
|
2
|
4
|
2
|
4
|
10
|
2
|
5
|
-
|
-
|
|
7
|
7
|
10
|
8
|
5
|
12
|
8
|
12
|
2
|
8
|
2
|
4
|
10
|
8
|
5
|
2
|
-
|
-
|
|
8
|
8
|
15
|
6
|
8
|
5
|
8
|
10
|
6
|
10
|
8
|
2
|
8
|
6
|
6
|
-
|
-
|
-
|
|
9
|
9
|
18
|
8
|
-
|
8
|
8
|
10
|
6
|
10
|
8
|
2
|
8
|
6
|
6
|
-
|
-
|
-
|
|
10
|
10
|
12
|
10
|
10
|
-
|
12
|
8
|
2
|
8
|
2
|
4
|
10
|
-
|
5
|
2
|
2
|
-
|
|
11
|
11
|
10
|
-
|
20
|
-
|
30
|
40
|
10
|
5
|
2
|
4
|
10
|
8
|
2
|
-
|
-
|
-
|
|
12
|
12
|
10
|
8
|
15
|
20
|
-
|
5
|
2
|
4
|
3
|
1
|
2
|
5
|
4
|
-
|
-
|
-
|
|
13
|
13
|
20
|
10
|
15
|
30
|
-
|
-
|
2
|
8
|
10
|
12
|
10
|
1
|
-
|
-
|
-
|
-
|
|
14
|
14
|
5
|
8
|
10
|
40
|
-
|
-
|
3
|
5
|
8
|
10
|
2
|
12
|
10
|
-
|
-
|
-
|
|
15
|
15
|
15
|
20
|
40
|
10
|
-
|
-
|
10
|
5
|
2
|
8
|
15
|
2
|
10
|
-
|
-
|
-
|
|
16
|
1
|
20
|
5
|
12
|
10
|
10
|
18
|
6
|
2
|
4
|
2
|
4
|
10
|
2
|
-
|
-
|
-
|
|
17
|
2
|
15
|
8
|
5
|
12
|
8
|
12
|
4
|
4
|
6
|
4
|
4
|
4
|
3
|
8
|
-
|
-
|
|
18
|
3
|
20
|
6
|
8
|
5
|
15
|
15
|
8
|
8
|
10
|
6
|
8
|
8
|
5
|
-
|
-
|
-
|
|
19
|
4
|
15
|
8
|
6
|
8
|
8
|
10
|
3
|
10
|
8
|
2
|
8
|
6
|
6
|
-
|
-
|
-
|
|
20
|
5
|
18
|
10
|
10
|
6
|
12
|
8
|
5
|
8
|
2
|
4
|
10
|
8
|
5
|
2
|
-
|
-
|
|
21
|
6
|
16
|
5
|
12
|
10
|
10
|
15
|
2
|
2
|
4
|
2
|
4
|
10
|
2
|
5
|
-
|
-
|
|
22
|
7
|
22
|
8
|
5
|
12
|
8
|
12
|
4
|
8
|
2
|
4
|
10
|
8
|
5
|
2
|
-
|
-
|
|
23
|
8
|
25
|
6
|
8
|
5
|
8
|
10
|
5
|
10
|
8
|
2
|
8
|
6
|
6
|
-
|
-
|
-
|
|
24
|
9
|
15
|
8
|
-
|
8
|
8
|
10
|
3
|
10
|
8
|
2
|
8
|
6
|
6
|
-
|
-
|
-
|
|
25
|
10
|
18
|
10
|
10
|
-
|
12
|
8
|
4
|
8
|
2
|
4
|
10
|
-
|
5
|
2
|
2
|
-
|
|
26
|
11
|
13
|
-
|
20
|
-
|
30
|
40
|
8
|
5
|
2
|
4
|
10
|
8
|
2
|
-
|
-
|
-
|
|
27
|
12
|
16
|
8
|
15
|
20
|
-
|
5
|
4
|
4
|
3
|
1
|
2
|
5
|
4
|
-
|
-
|
-
|
|
28
|
13
|
25
|
10
|
15
|
30
|
-
|
-
|
4
|
8
|
10
|
12
|
10
|
1
|
-
|
-
|
-
|
-
|
|
29
|
14
|
10
|
8
|
10
|
40
|
-
|
-
|
5
|
5
|
8
|
10
|
2
|
12
|
10
|
-
|
-
|
-
|
|
30
|
15
|
22
|
20
|
40
|
10
|
-
|
-
|
6
|
5
|
2
|
8
|
15
|
2
|
10
|
-
|
-
|
-
|
Схемы электрических цепей:

.....
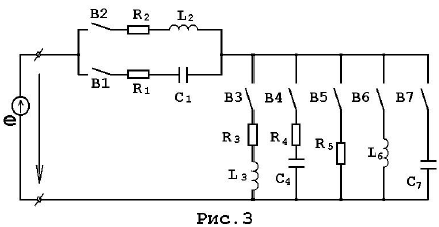
Задача №2. Анализ линейной цепи переменного синусоидального тока.
Схема электрической цепи показана на рис.3. Параметры элементов схемы помещены в таблице 2. Вариант определяется как сумма последних трех цифр шифра зачетки.
Электрическая цепь переменного синусоидального тока с частотой f=50 Гц. Находится под действием источника напряжения е =Еm sin(ωt+φe). С учётом положения выключателей В1- В7 определить для своего варианта:
1. полные и комплексные сопротивления участков цепи;
2. все токи ветвей;
3. полные, реактивные и активные мощности отдельных участков цепи и всей электрической цепи;
4. построить векторные диаграммы токов и напряжений;
Таблица 2
|
№
|
Em, B
|
φe, C
|
UL3, B
|
I3, A
|
R1,
Ом
|
R2,
Ом
|
R3,
м
|
R4,
Ом
|
R5,
Ом
|
Xl1,
Ом
|
Xl3,
Ом
|
Xl6,
Ом
|
Xc 1,
Ом
|
Xc 4,
Ом
|
Xc 7,
Ом
|
Выключатели
замкнуты
|
|
1
|
100
|
30
|
-
|
-
|
2
|
-
|
-
|
6
|
10
|
-
|
-
|
-
|
5
|
8
|
25
|
B1,B4,B5,B7
|
|
2
|
-
|
-
|
32
|
-
|
-
|
4
|
12
|
-
|
20
|
4
|
16
|
5
|
-
|
-
|
-
|
B2,B3,B5,B6
|
|
3
|
150
|
40
|
-
|
-
|
4
|
-
|
8
|
3
|
14
|
-
|
6
|
-
|
4
|
4
|
-
|
B1,B3,B4,B5
|
|
4
|
100
|
60
|
-
|
-
|
2
|
-
|
-
|
6
|
10
|
-
|
-
|
-
|
5
|
8
|
25
|
B1,B4,B5,B7
|
|
5
|
-
|
-
|
40
|
-
|
-
|
4
|
12
|
-
|
20
|
10
|
16
|
50
|
-
|
-
|
-
|
B2,B3,B5,B6
|
|
6
|
-
|
-
|
-
|
5
|
-
|
3
|
7
|
15
|
44
|
4
|
24
|
-
|
-
|
20
|
-
|
B2,B3,B4,B5
|
|
7
|
200
|
0
|
-
|
-
|
-
|
2
|
10
|
-
|
20
|
16
|
10
|
-
|
-
|
-
|
20
|
B2,B3,B5,B7
|
|
8
|
-
|
-
|
64
|
-
|
-
|
4
|
12
|
-
|
20
|
4
|
32
|
5
|
-
|
-
|
-
|
B2,B3,B5,B6
|
|
9
|
-
|
-
|
-
|
10
|
-
|
3
|
7
|
15
|
44
|
4
|
24
|
-
|
-
|
20
|
-
|
B2,B3,B4,B5
|
|
10
|
141
|
20
|
-
|
-
|
10
|
-
|
12
|
-
|
40
|
-
|
16
|
50
|
10
|
-
|
-
|
B1,B3,B5,B6
|
|
11
|
200
|
0
|
-
|
-
|
4
|
-
|
24
|
3
|
20
|
-
|
7
|
-
|
4
|
4
|
-
|
B1,B3,B4,B5
|
|
12
|
-
|
-
|
-
|
20
|
-
|
3
|
7
|
15
|
22
|
4
|
24
|
-
|
-
|
20
|
-
|
B2,B3,B4,B5
|
|
13
|
300
|
45
|
-
|
-
|
10
|
-
|
6
|
-
|
40
|
-
|
8
|
50
|
10
|
-
|
-
|
B1,B3,B5,B6
|
|
14
|
-
|
-
|
64
|
-
|
4
|
-
|
24
|
3
|
20
|
-
|
7
|
-
|
4
|
4
|
-
|
B1,B3,B4,B5
|
|
15
|
282
|
30
|
-
|
-
|
10
|
-
|
12
|
-
|
50
|
-
|
16
|
100
|
10
|
-
|
-
|
B1,B3,B5,B6
|
|
16
|
150
|
30
|
-
|
-
|
2
|
-
|
-
|
6
|
20
|
-
|
-
|
-
|
5
|
8
|
25
|
B1,B4,B5,B7
|
|
17
|
-
|
-
|
32
|
-
|
-
|
4
|
12
|
-
|
40
|
4
|
16
|
5
|
-
|
-
|
-
|
B2,B3,B5,B6
|
|
18
|
300
|
40
|
-
|
-
|
4
|
-
|
8
|
3
|
28
|
-
|
6
|
-
|
4
|
4
|
-
|
B1,B3,B4,B5
|
|
19
|
200
|
60
|
-
|
-
|
2
|
-
|
-
|
6
|
20
|
-
|
-
|
-
|
5
|
8
|
25
|
B1,B4,B5,B7
|
|
20
|
-
|
-
|
40
|
-
|
-
|
4
|
12
|
-
|
40
|
10
|
16
|
50
|
-
|
-
|
-
|
B2,B3,B5,B6
|
|
21
|
-
|
-
|
-
|
5
|
-
|
3
|
7
|
15
|
22
|
4
|
24
|
-
|
-
|
20
|
-
|
B2,B3,B4,B5
|
|
22
|
150
|
0
|
-
|
-
|
-
|
2
|
10
|
-
|
40
|
16
|
10
|
-
|
-
|
-
|
20
|
B2,B3,B5,B7
|
|
23
|
-
|
-
|
64
|
-
|
-
|
4
|
12
|
-
|
40
|
4
|
32
|
5
|
-
|
-
|
-
|
B2,B3,B5,B6
|
|
24
|
-
|
-
|
-
|
10
|
-
|
3
|
7
|
15
|
22
|
4
|
24
|
-
|
-
|
20
|
-
|
B2,B3,B4,B5
|
|
25
|
200
|
20
|
-
|
-
|
10
|
-
|
12
|
-
|
20
|
-
|
16
|
50
|
10
|
-
|
-
|
B1,B3,B5,B6
|
|
26
|
150
|
0
|
-
|
-
|
4
|
-
|
24
|
3
|
40
|
-
|
7
|
-
|
4
|
4
|
-
|
B1,B3,B4,B5
|
|
27
|
-
|
-
|
-
|
20
|
-
|
3
|
7
|
15
|
44
|
4
|
24
|
-
|
-
|
20
|
-
|
B2,B3,B4,B5
|
|
28
|
200
|
45
|
-
|
-
|
10
|
-
|
6
|
-
|
20
|
-
|
8
|
50
|
10
|
-
|
-
|
B1,B3,B5,B6
|
|
29
|
-
|
-
|
64
|
-
|
4
|
-
|
24
|
3
|
40
|
-
|
7
|
-
|
4
|
4
|
-
|
B1,B3,B4,B5
|
|
30
|
300
|
30
|
-
|
-
|
10
|
-
|
12
|
-
|
25
|
-
|
16
|
100
|
10
|
-
|
-
|
B1,B3,B5,B6
|

Задача №3. Анализ трёхфазной электрической цепи при схеме соединения приёмников “звездой”
В трёхфазную сеть с симметричной системой линейных напряжений Uл включён трёхфазный потребитель электроэнергии, фазы которого имеют комплексные сопротивления Zа, Zb, Zс и соединены “звездой” (рис.5). В таблице №3 даны варианты задания. Вариант определяется как сумма последних трех цифр шифра зачетки.
Определить:
1. Линейные и фазные токи;
2. Активную Р, реактивную Q и полную S мощности потребителя;
3. Показания приборов: амперметра и вольтметра;
4. Построить векторную диаграмму токов и напряжений.

Таблица 3.
|
№ вар.
|
Za, Ом
|
Zb, Ом
|
Zc, Ом
|
Uл, В
|
|
1
|
15+j10
|
10-j20
|
J40
|
380
|
|
2
|
10-j10
|
20+j20
|
10ej30
|
220
|
|
3
|
15-j20
|
15
|
20ej45
|
660
|
|
4
|
20+j10
|
J30
|
10
|
660
|
|
5
|
30
|
10ej45
|
10-j20
|
220
|
|
6
|
10ej40
|
-j20
|
15+j10
|
380
|
|
7
|
20e-j30
|
j15
|
10+j10
|
380
|
|
8
|
10ej90
|
10+j15
|
20
|
220
|
|
9
|
J40
|
15e-j45
|
40-j10
|
660
|
|
10
|
-j20
|
10ej30
|
15
|
380
|
|
11
|
10-j10
|
10+j10
|
15ej45
|
660
|
|
12
|
20+j20
|
30
|
20ej30
|
220
|
|
13
|
10e-j90
|
10+j20
|
15
|
220
|
|
14
|
15ej60
|
25
|
-j30
|
660
|
|
15
|
25ej45
|
10+j30
|
10ej90
|
380
|
|
16
|
10+j10
|
10-j10
|
10
|
220
|
|
17
|
20-j20
|
10+j10
|
20-j10
|
380
|
|
18
|
5-j10
|
10+j5
|
10ej45
|
220
|
|
19
|
25+j25
|
10-j20
|
30ej30
|
660
|
|
20
|
20ej30
|
10+j20
|
30e-j30
|
380
|
|
21
|
50
|
40-j20
|
20+j40
|
660
|
|
22
|
10+j30
|
20e-j90
|
10
|
220
|
|
23
|
40
|
10-j20
|
30+j10
|
380
|
|
24
|
30-j10
|
50
|
20+j20
|
380
|
|
25
|
40-j20
|
30ej45
|
50
|
660
|
|
26
|
10
|
20ej30
|
30e-j60
|
220
|
|
27
|
40
|
20+j10
|
30-j30
|
220
|
|
28
|
50
|
10+j30
|
30e-j90
|
380
|
|
29
|
20-j20
|
60
|
50ej90
|
660
|
|
30
|
50ej90
|
50
|
40-j10
|
660
|
|