| Общая информация » Каталог студенческих работ » ТЕХНИЧЕСКИЕ ДИСЦИПЛИНЫ » Механика |
| 19.01.2026, 19:53 | ||||||||||||||||||||||||||||||||||||||||||||||||||||||||||||||||||||||||||||||||||||||||||||||||||||||||||||||||||||||||||||||||||||||||||||||||||||||||||||||||||||||||||||||||||||||||||||||||||||||||||||||||||||||||||||||||||||||||||||||||||||||||||||||||||||||||||||||||||||||||||||||||||||||||||||||||||||||||||||||||||||||||||||||||||||||||||||||||||||||||||||||||||||||||||||||||||||||||||||||||||||||||||||||||||||||||||||||||||||||||||||||||||||||||||||||||||||||||||||||||||||||||||||||||||||||||||||||||||||||||||||||||||||||||||||||||||||||||||||||||||||||||||||||||||||||||||||||||||||||||||||||||||||||||||||||||||||
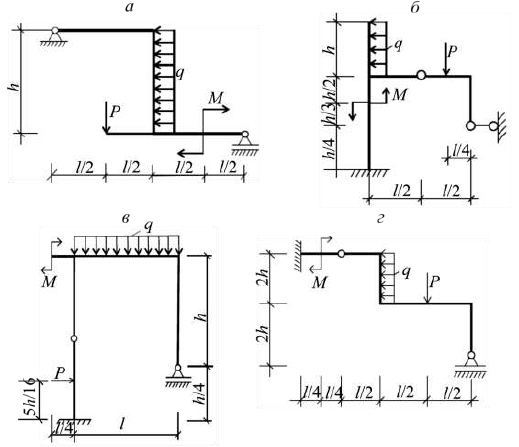
Варианты заданий к расчетно-графической и контрольной работам на тему: «Расчет статически определимых рам» Задание. Для рамы, выбранной согласно варианту (табл. 2.1), требуется построить эпюры изгибающих моментов M, поперечных Q и продольных сил N. Таблица 2.1 Исходные данные
Рис. 2.20. Варианты схем рам: а – схема № 1; б – схема № 2; в – схема № 3; г – схема № 4;
Окончание рис. 2.20: д – схема № 5; е – схема № 6; ж – схема № 7; з – схема № 8; и – схема № 9; к – схема № 10
Варианты заданий к расчетно-графической и контрольной работам на тему «Расчет МШБ» Задание. Для балки (рис. 3.4), выбранной согласно варианту (табл. 3.1) требуется: 1) построить эпюры M и Q аналитическим способом; 2) построить ЛВ трех опорных реакций (по выбору студента); 3) построить ЛВ изгибающего момента M и поперечной силы Q для заданных сечений; 4) по ЛВ определить значения опорных реакций, изгибающего момента и поперечной силы от заданных нагрузок. Таблица 3.1 Исходные данные
Варианты заданий к расчетно-графической и контрольной работам на тему «Расчет плоской статически определимой фермы» Задание. Для фермы (рис. 4.21) с выбранными по шифру из табл. 4.5 размерами и нагрузкой требуется: 1) аналитически определить усилия, в стержнях заданной панели, включая правую стойку (4 стержня); 2) графически определить значения во всех стержнях от действия полезной, постоянной (собственный вес) и снеговой нагрузок; 3) построить ЛВ усилий в тех же стержнях при условии, что груз движется по верхнему поясу; 4) по построенным ЛВ подсчитать значения усилий от заданной нагрузки и сравнить их со значениями, полученными при расчете аналитическим и графическим методами. Таблица 4.5 Исходные данные
Рис. 4.21. Варианты схем простых ферм: а – схема № 1; б – схема № 2; в – схема № 3; г – схема № 4
Продолжение рис. 4.21: д – схема № 5; е – схема № 6; ж – схема № 7; з – схема № 8; и – схема № 9; к – схема № 10
Варианты заданий к расчетно-графической и контрольной работам по теме «Расчет трехшарнирных арок и рам» Задание. Для арки или рамы (рис. 5.12) выбранной согласно варианту по шифру из табл. 5.1 требуется: 1) аналитически определить значения изгибающего момента M, поперечной Q и продольной силы N в заданном сечении; 2) построить ЛВ опорной реакции распора Н, изгибающего момента М, поперечной Q и продольной силы N в заданном сечении; 3) по построенным ЛВ подсчитать значения усилий от заданной нагрузки и сравнить их со значениями, полученными аналитическим методом. Таблица 5.1 Исходные данные
Рис. 5.10. Варианты схем трехшарнирных арок и рам: а – схема № 1; б – схема № 2; в – схема № 3; г – схема № 4; д – схема № 5; е – схема № 6; ж – схема № 7; з – схема № 8; и – схема № 9; к – схема № 0
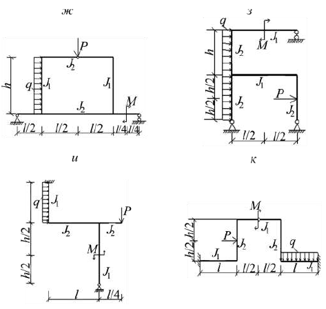
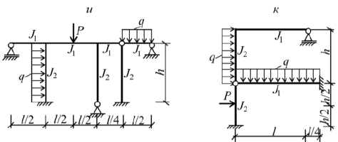
Варианты заданий к расчетно-графической и контрольной работам на тему «Расчет плоской статически неопределимой рамы методом сил» Задание. Для рамы, представленной на рис. 6.11, с выбранными по шифру из табл. 6.1 данными требуются: Таблица 6.1 Исходные данные
а) построить эпюру изгибающих моментов М, поперечных Q и продольных сил N; б) проверить правильность построенных эпюр.
Рис.6.11. Варианты схем рам: а – схема № 1; б – схема № 2; в – схема № 3; г – схема № 4; д – схема № 5; е – схема № 6
Продолжение рис. 6.11: ж – схема № 7; з – схема № 8; и – схема № 9; к – схема № 0
Варианты заданий к расчетно-графической и контрольной работам на тему «Расчет статически неопределимой рамы методом перемещений» Задание. Для заданной статически неопределимой рамы (рис. 7.10) с выбранными по шифру из табл. 7.2 данными требуется построить эпюры изгибающих моментов М, поперечных Q и продольных сил N.
Рис.7.10. Варианты схем рам: а – схема № 1; б – схема № 2; в – схема № 3; г – схема № 4; д – схема № 5; е – схема № 6; ж – схема № 7; з – схема № 8
Продолжение рис. 7.10: и – схема № 9; к – схема № 0 Таблица 7.2 Исходные данные
| ||||||||||||||||||||||||||||||||||||||||||||||||||||||||||||||||||||||||||||||||||||||||||||||||||||||||||||||||||||||||||||||||||||||||||||||||||||||||||||||||||||||||||||||||||||||||||||||||||||||||||||||||||||||||||||||||||||||||||||||||||||||||||||||||||||||||||||||||||||||||||||||||||||||||||||||||||||||||||||||||||||||||||||||||||||||||||||||||||||||||||||||||||||||||||||||||||||||||||||||||||||||||||||||||||||||||||||||||||||||||||||||||||||||||||||||||||||||||||||||||||||||||||||||||||||||||||||||||||||||||||||||||||||||||||||||||||||||||||||||||||||||||||||||||||||||||||||||||||||||||||||||||||||||||||||||||||||









