| Общая информация » Каталог студенческих работ » ТЕХНИЧЕСКИЕ ДИСЦИПЛИНЫ » Механика |
| 17.11.2025, 16:50 | |||||||||||||||||||||||||||||||||||||||||||||||||||||||||||||||||||||||||||||||||||||||||||||||||||||||||||||||||||||||||||||||||||||||||||||||||||||||||||||||||||||||||||||||||||||||||||||||||||||||||||||||||||||||||||||||||||||||||||||||||||||||||||||||||||||||||||
Расчетно-графическая работа выполняется в 6 семестре и состоит из решения трех задач с приложением результатов компьютерных расчетов для подтверждения правильности вычислений. Работа выполняется по вариантам, (номер варианта выбирается по трем последним цифрам зачетной книжки). 1. Расчеты статически неопределимой рамы методом сил 2. Расчет статически неопределимой системы методом перемещений на силовое воздействие 3. Расчет многопролетной неразрезной балки Работа должна выполняться с обязательным соблюдением «Основных правила оформления расчетно-графической и контрольной работ». Студенты, не выполнившие расчетно-графическую работу, либо, выполнившие ее с ошибками, что послужило причиной непринятия ее к зачету и защите, к экзамену по дисциплине Строительная механика не допускаются. Рекомендация: Расчетно-графическую работу лучше всего сдавать на проверку преподавателю не позднее 10 дней до экзамена, чтобы был запас времени для внесения изменений при обнаружении ошибок.
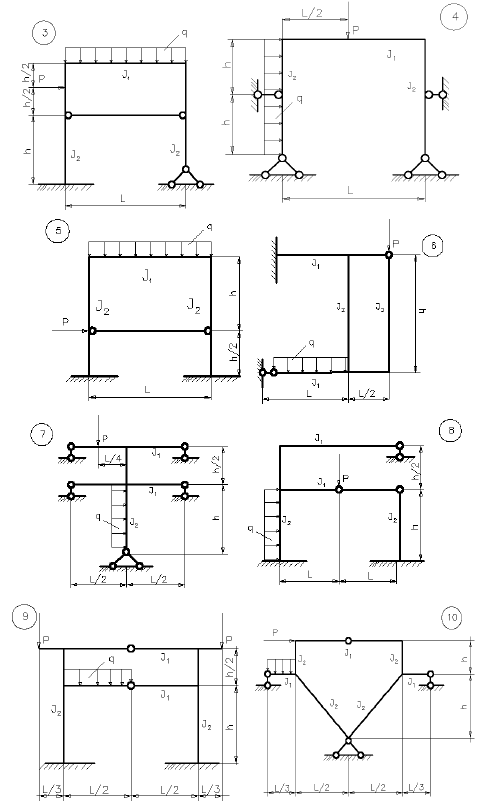
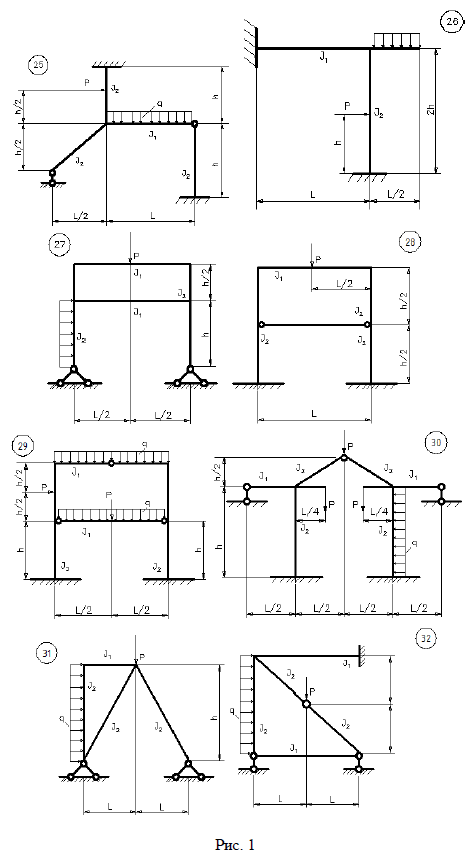
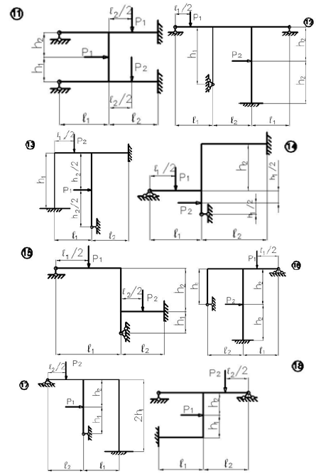
Задача 1. РАСЧЕТЫ СТАТИЧЕСКИ НЕОПРЕДЕЛИМОЙ РАМЫ МЕТОДОМ СИЛ Для выбранной рамы требуется: 1. Построить эпюры изгибающих моментов, поперечных и продольных сил; 2. Проверить правильность построенных эпюр. Номер рамы (рис.1) выбирается по двум последним цифрам шифра, если две последние цифры шифра более 32, вычитают из последних цифр шифра 32. Размеры и нагрузки (табл. 1) выбираются по первой буквы имени и фамилии студента. Если фамилия студента менее 4 букв, недостающие буквы берутся из отчества студента. Таблица № 1
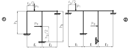
Задача 2. РАСЧЕТ СТАТИЧЕСКИ НЕОПРЕДЕЛИМОЙ СИСТЕМЫ МЕТОДОМ ПЕРЕМЕЩЕНИЙ НА СИЛОВОЕ ВОЗДЕЙСТВИЕ Для заданной статически неопределимой рамы требуется построить эпюры изгибающих моментов, поперечных и продольных сил. Номер рамы (рис.2) выбирается по двум последним цифрам шифра, если две последние цифры шифра более 25, вычитают из последних цифр шифра 25. Размеры и нагрузки (табл. 2) выбираются по первой буквы имени и фамилии студента. Если фамилия студента менее 6 букв, недостающие буквы берутся из отчества студента. Таблица № 2
Принять: EJ1 – изгибная жесткость ригеля; EJ2 – изгибная жесткость стойки.
Задача 3. РАСЧЕТ МНОГОПРОЛЕТНОЙ НЕРАЗРЕЗНОЙ БАЛКИ Для многопролетной неразрезной балки требуется: 1. Найти с помощью уравнения трех моментов опорные моменты и построить эпюры М и Q от постоянной нагрузки q1, P1; 2. Найти фокусные отношения и построить эпюры от последовательного загружения каждого пролета и консолей временной нагрузкой q2, P2; 3. Построить объемлющую эпюру моментов для второго пролета (считая слева). Номер рамы (рис.3) выбирается по двум последним цифрам шифра, если две последние цифры шифра более 20, вычитают из последних цифр шифра 20. Размеры и нагрузки (табл. 3) выбираются по первой буквы имени и фамилии студента. Если фамилия студента менее 8 букв, недостающие буквы берутся из отчества студента. Таблица № 3
..... | |||||||||||||||||||||||||||||||||||||||||||||||||||||||||||||||||||||||||||||||||||||||||||||||||||||||||||||||||||||||||||||||||||||||||||||||||||||||||||||||||||||||||||||||||||||||||||||||||||||||||||||||||||||||||||||||||||||||||||||||||||||||||||||||||||||||||||











