| Общая информация » Каталог студенческих работ » ТЕХНИЧЕСКИЕ ДИСЦИПЛИНЫ » Метрология, стандартизация и сертификация |
| 27.01.2026, 20:18 | |||||||||||||||||||||||||||||||||||||||||||||||||||||||||||||||||||||||||||||||||||||||||||||||||||||||||||||||||||||||||||||||||||||||||||||||||||||||||||||||||||||||||||||||||||||||||||||
1. РАСЧЕТ ПОГРЕШНОСТЕЙ СРЕДСТВ ИЗМЕРЕНИЙ Задачи 1. Температура в термостате измерялась техническим термометром со шкалой (0…500) °С, имеющим пределы допускаемой основной погрешности ±4 °С. Показания термометра составили 346 °С. Одновременно с техническим термометром в термостат был погружен лабораторный термометр, имеющий свидетельство о поверке. Показания лабораторного термометра составили 352 °С, поправка по свидетельству составляет -1 °С. Определите, выходит ли за пределы допускаемой основной погрешности действительное значение погрешности показаний технического термометра. 2. Было проведено однократное измерение термоЭДС автоматическим потенциометром класса 0,5 градуировки ХК со шкалой (200…600) °С. Указатель остановился на отметке 550 °С. Оцените максимальную относительную погрешность измерения термоЭДС потенциометром на отметке 550 °С. Условия работы нормальные. 3. Определить относительную погрешность измерения напряжения 100 В вольтметром класса точности 2,5 на номинальное напряжение 250 В. 4. Амперметр с верхним пределом измерения 10 А показал ток 5,3 А при его действительном значении, равном 5,23 А. Определить абсолютную, относительную и относительную приведенную погрешности амперметра, а также абсолютную поправку. 5. При поверке амперметра с пределом измерения 5 А в точках шкалы: 1; 2; 3; 4 и 5 получены следующие показания образцового прибора: 0,95; 2,06; 3,05; 4,07 и 4,95. Определить абсолютные, относительные и относительные приведенные погрешности в каждой точке шкалы и класс точности амперметра. 6. При поверке технического амперметра получены следующие показания приборов: поверяемый амперметр: 1 – 2 – 3 – 4 – 5 – 4 – 3 – 2 – 1, образцовый амперметр: ход вверх l,2 – 2,2 – 2,9 – 3,8 – 4,8; ход вниз 4,8 – 3,9 – 2,9 – 2,3 – 1,1. Найти абсолютную и относительную приведенную погрешности, а также вариации показаний прибора. Определить, к какому классу точности его можно отнести. 7. Определить относительную погрешность измерения напряжения, если показание вольтметра класса 1,0 с пределом измерения 300 В составило 75 В. 8. Определить абсолютную и относительную погрешности измерений, если вольтметр с пределом измерений 300 В класса 2,5 показывает 100 В. 9. Поверка вольтметра методом сравнения с показаниями образцового прибора дала следующие результаты:
Определить наибольшую относительную приведенную погрешность и класс точности. 10. Для измерения напряжения используются два вольтметра: V1(Uном=30 B; Кv= 2,5) и V2(Uном=150 В;Kv=1,0). Определить, какой вольтметр измеряет напряжение точнее, если первый показал 29,5 В, а другой - 30 В. 11. В цепь током 15 А включены три амперметра со следующими параметрами: класса точности 1,0 со шкалой на 50 А, класса 1,5 на 30 A и класса 2,5 на 20 А. Определить, какой из амперметров обеспечит большую точность измерения тока в цепи. 12. Имеются три вольтметра: класса 1,0 номинальным напряжением 300 В класса 1,5 на 250 В и класса 2,5 на 150 В. Определить, какой из вольтметров обеспечит большую точность измерения напряжения 130 В. 13. Показания амперметра I1=20 А, его верхний предел Iн=50 А; показания образцового прибора, включенного последовательно, I=20,5 А. Определить относительную и приведенную относительную погрешности амперметра. 14. Определить относительную погрешность измерения тока 10 А амперметром с Iн = 30 А класса точности 1,5. 15. При измерении мощности ваттметром класса точности 0,5, рассчитанным на номинальную мощность Рн=500 Вт записано показание Р1=150 Вт. Найти пределы, между которыми заключено действительное значение измеряемой мощности. 16. Сопротивления включены по схеме, изображенной на рисунке 1.1. Ток в неразветвленной части цепи I=12 А, в сопротивлениях I1=3 А; I2=5 А. Чему равны абсолютная и относительная погрешности амперметра, указанного на схеме, если его показания I3=3,8 А?
Рис.1.1. Схема измерения тока
2. ВЛИЯНИЕ МЕТОДИЧЕСКИХ ПОГРЕШНОСТЕЙ НА РЕЗУЛЬТАТЫ ИЗМЕРЕНИЙ Задачи 1. Элемент, ЭДС которого равна 1,5 В, а внутреннее сопротивление R0=0,2 Ом, замкнут на внешнее сопротивление R=14,8 Ом. Определить, чему будет равна относительная погрешность при расчете тока в цепи, если внутренним сопротивлением элемента пренебречь. Как изменится относительная погрешность, если при прочих равных условиях внешнее сопротивление вместо 14,8 станет равным 0,3 Ом? 2. Какова относительная погрешность измерения ЭДС генератора, изображенного на рисунке 2.3., при измерении ее вольтметром с сопротивлением 10 кОм? Внутреннее сопротивление генератора Rя = 0,2 Ом.
Рис.2.3. Схема измерения ЭДС генератора 3. С помощью амперметра с внутренним сопротивлением RА измерено значение тока, протекающего через резистор R, подключенный к источнику напряжения с внутренним сопротивлением Ri. Определить относительную систематическую погрешность δI измерения тока, вызванную сопротивлением амперметра. 4. Амперметр сопротивлением RА=0,01 Ом и вольтметр сопротивлением RV=25 Ом применяются в схеме для измерения сопротивления якоря электродвигателя. Составить схему измерения методом амперметра и вольтметра, а также определить приближенное и точное значение сопротивления и относительную погрешность, допускаемую при определении сопротивления по приближенной формуле, если наиболее вероятные значения тока и напряжения, полученные в результате повторных измерений, следующие: I=8,5 A , U=1,25 В. 5. Определить относительную погрешность измерения сопротивления последовательной обмотки возбуждения электродвигателя, если ток I=1,1 A, напряжение U=33 мВ, сопротивление амперметра 0,1 Ом, милливольтметра 10 Ом. Составить схему измерения. 6. Для измерения сопротивления R=200 Ом используются амперметр сопротивлением RА=0,05 Ом, вольтметр сопротивлением RV=10 кОм. Какая из двух схем (рис.2.4,а и б) измерения сопротивления методом амперметра и вольтметра дает меньшую погрешность измерения?
Рис.2.4. Схема измерения сопротивления 7. Для определения ЭДС генератора к его зажимам присоединен вольтметр сопротивлением Rv= 1200 Ом. Внутреннее сопротивление генератора Rя= 0,6 Ом. Какую ошибку мы допускаем, считая показание вольтметра равным ЭДС генератора? 8. При измерении напряжения на нагрузке сопротивлением 7 Ом вольтметр показал 13,5 В. ЭДС источника Е=14,2 В, а его внутреннее сопротивление R0=0,1 Ом. Определить абсолютную и относительную погрешности измерения. 9. По схеме амперметра и вольтметра измеряется сопротивление нагрузки RН. За измеренное значение принимается сопротивление, найденное по закону Ома. Определить, какая из схем дает большую погрешность, если известно, что ток IН= 5 А, напряжение UН=120 В, RV=20 кОм, RА=0,01 Ом. Составить схемы измерения. 10. При измерении сопротивления обмотки якоря методом амперметра и вольтметра применяемые приборы имели следующие показания: амперметр с пределом измерения 0,75 А - 90 делении; вольтметр с пределом измерения 7,5 В и сопротивлением 2,5 кОм - 113,5 делений. Шкалы обоих приборов имеют 150 делений. Составить схему измерения и определить сопротивление якоря. 11. В лаборатории при измерении двух сопротивлений методом амперметра и вольтметра применены: миллиамперметр с сопротивлением 10 Ом; вольтметр с сопротивлением 400 Ом. Показания приборов по схеме (рис.2.4,а) при измерении первого сопротивления были U1=0,7 В, I1=50 мА, а при измерении второго сопротивления соответствующие измерения дали U2=1,32 В, I2=26,5 мА; Определить значения сопротивлений и относительную погрешность измерения. 12. В лаборатории при измерении двух сопротивлений методом амперметра и вольтметра применены: миллиамперметр с сопротивлением 10 Ом; вольтметр с сопротивлением 400 Ом. Показания приборов по схеме (рис.2.4,б) U1=0,2 В, U2=1,05 В, токи I1=50 мА, I2=29 мА. Определить значения сопротивлений и относительную погрешность измерения.
3. ОБНАРУЖЕНИЕ И ИСКЛЮЧЕНИЕ СИСТЕМАТИЧЕСКИХ ПОГРЕШНОСТЕЙ Задача Используя способ последовательных разностей, определить, присутствует ли систематическая погрешность в ряду результатов наблюдений, приведенных в таблице 3.3. Таблица 3.3 Результаты измерений
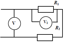
4. ВЕРОЯТНОСТНОЕ ОПИСАНИЕ СЛУЧАЙНЫХ ПОГРЕШНОСТЕЙ Задача По данным, приведенным в таблице 3.3. проверить гипотезу о согласованности эмпирического и теоретического распределения по составному критерию.
5. ГРУБЫЕ ПОГРЕШНОСТИ И МЕТОДЫ ИХ ИСКЛЮЧЕНИЯ Задача Для измерения действующего значения напряжения переменного тока произведено несколько наблюдений этого напряжения. Полученные результаты приведены в таблице 3.3. Используя вышеприведенные критерии проверить, не содержат ли результаты измерений грубые погрешности. В вариантах, помеченных ٭, использовать критерий Романовского, в остальных случаях критерий Диксона.
6. ОБРАБОТКА РЕЗУЛЬТАТОВ ПРЯМЫХ МНОГОКРАТНЫХ ИЗМЕРЕНИЙ Обработка прямых измерений с многократными наблюдениями производится в случаях, когда средними квадратическими отклонениями погрешностей нельзя пренебречь по сравнению с неисключенными остатками систематических погрешностей. Обработка производится по методике ГОСТ 8.207-76 «ГСИ. Прямые измерения с много кратными наблюдениями. Методы обработки результатов наблюдений». Данная методика применима при следующих условиях: - наблюдения независимы и равноточны; - результаты наблюдений распределены нормально; - неисключенные остатки систематических погрешностей распределены по законам равномерной плотности. Обработку наблюдений рекомендуется проводить в такой последовательности: 1. Исключить известные систематические погрешности из результатов измерений. 2. Вычислить среднее арифметическое значение исправленных результатов наблюдений х , которое принимается за результат измерения, если подтверждается гипотеза о нормальном распределении результатов наблюдений и ряд наблюдений не содержит промахов по формуле (4.3). 3. Вычислить смещенную (S*) и несмещенную (S) среднеквадратическую погрешность ряда измерений по формулам (4.4) и (4.5). 4. Вычислить среднеквадратическую погрешность среднеарифметического значения по формуле (4.6). 5. Проверить гипотезу о нормальном распределении результатов наблюдений. 6. Выявить грубые погрешности (промахи). 7. Вычислить доверительные границы (пределы допускаемых значений) случайной составляющей погрешности измерений. D = ±tp × Sx , где tp – коэффициент Стьюдента, зависящий от числа наблюдений n и выбранной доверительной вероятности (табл. 6.2.) Задача По результатам, полученным при решении задачи №5 (с исключенными промахами), провести обработку результатов измерений и определить наиболее достоверное значение напряжения и предельную погрешность найденного значения.
7. ПРЯМЫЕ ОДНОКРАТНЫЕ ИЗМЕРЕНИЯ Задача Необходимо измерить напряжение постоянного тока на выходе активного двухполюсника в режиме холостого хода. Используя данные, приведенные в таблице 7.1, оценить погрешность результата однократного измерения напряжения U на сопротивлении R, учитывая дополнительную температурную погрешность. В соответствии с ГОСТом 22261-82 дополнительная температурная погрешность для данного типа приборов не превышает основной при изменении температуры на каждые 10ºС. Таблица 7.1 Результаты измерений
8. ОБРАБОТКА РЕЗУЛЬТАТОВ КОСВЕННЫХ ИЗМЕРЕНИЙ Задачи 1. Для определения электрической мощности, выделяемой в активном сопротивлении, были измерены: напряжение 125 В вольтметром с номинальным напряжением 150 В класса точности 1,5 и сопротивление нагрузки 20 Ом одинарным мостом с погрешностью 0,2 %. Найти мощность в нагрузке и наибольшую возможную относительную погрешность при ее измерении. 2. Для измерения затрат энергии в течение суток были замерены напряжение сети 215 В вольтметром на номинальное напряжение 250 В класса точности 1,5 и ток 120 А амперметром на 150 А класса точности 1,0. Определить количество энергии, расходуемое в печи за сутки, и наибольшую возможную абсолютную и относительную погрешности при ее измерении, если время измеряется с точностью до 1 мин. 3. Определить наибольшую возможную относительную погрешность при измерении электрической энергии ваттметром на номинальную мощность 750 Вт класса точности 0,5 за время 2 минуты, измеренное с точностью 2 секунды, если ваттметр показывает 200 Вт. 4. Определить наибольшую возможную относительную погрешность при измерении сопротивления с помощью вольтметра и амперметра, если приборы показывают 25 В и 12,5 А. Вольтметр на номинальное напряжение 30 В класса точности 2,5 сопротивлением 2,5 кОм, амперметр на номинальный ток 15 А класса точности 1,5 сопротивлением 0,2 Ом. Составить схему измерения. 5. При измерении расхода калориметрическим расходомером измерение мощности нагревателя производилось по показаниям амперметра и вольтметра. Оба эти прибора имели класс точности 0,5, работали в нормальных условиях и имели, соответственно, шкалы (0…5) А и (0…30) В. Номинальные значения силы тока 3,5 А и напряжения 24 В. Оцените погрешность, с которой производится измерение мощности. 6. Для измерения мощности, потребляемой активной нагрузкой обладающей сопротивлением (11+0,5) Ом, применялся вольтметр на номинальное напряжение 300 В класса точности 1,5. Определить потребляемую мощность и наибольшую относительную погрешность, если вольтметр показывает 240 В. 7. Определить класс точности амперметра на номинальный ток 500 А, необходимого для измерения мощности нагрузки с погрешностью не более 3 %, если напряжение сети 220 В измеряется с точностью 2 %, а ток, потребляемый нагрузкой 320 А. 8. Для определения мощности электропечи были измерены: напряжение сети 220 В вольтметром на 300 В класса точности 1,5; ток 350 А амперметром на 500 А класса точности 2,5. Рассчитать мощность печи и наибольшую возможную абсолютную и относительную погрешности при ее измерении. 9. Определить напряжение на сопротивлении R2 и наибольшую возможную относительную погрешность при его определении, если напряжение сети равно 220 В, а напряжение на сопротивлении R1 U1 равно 180 В. Для измерения используются вольтметры класса 1,0 на 250 В. (рис.8.1.)
Рис.8.1. Схема измерения напряжения 10. Определить абсолютную ΔR и относительную погрешности косвенных измерений сопротивления резистора (рис.8.2), если показания вольтметра 10 В, миллиамперметра 100 мА. Предел измерения вольтметра 15 В, класс точности 1,0; предел измерения миллиамперметра 150 мА, класс точности 1,5.
Рис.8.2. Схема измерения сопротивления резистора 11. Для измерения энергии были найдены напряжение с погрешностью d U = +-1%, сопротивление с погрешностью d R=+-0.5%, время с погрешностью d t=+-1.5%. Определить относительную погрешность измерения. 12. Вычислить наибольшую возможную относительную погрешность определения тока в неразветвленной части цепи, если измеряются токи в двух параллельных ветвях амперметрами класса точности 1,5 на номинальный ток 100 А. Показания приборов I1=60 A, I2=50 A. Составить схему включения приборов.
Порядок выполнения задания 1. В контрольной работе необходимо решить 8 задач: по одной задаче из каждого раздела. Номер варианта заданий выбирается по последней цифре номера зачетной книжки. 2. Все рисунки и схемы, рисунки, формулы, таблицы, заимствованные из литературы обязательно нумеруются и снабжаются указанием источника информации: литература и интернет, конце работы формируется список используемых источников. 3. При записи формул пояснения входящих в них символов и коэффициентов, если они не пояснены ранее в тексте, должен быть приведены непосредственно под формулой. Формулы должны нумероваться арабскими цифрами, которые записывают на уровне формулы в скобках у правого края листа. Нумерация формул может быть сквозной или в пределах раздела. 4. В тексте не допускается: - сокращение обозначения единиц физических величин, если они употребляются без цифр, за исключением единиц физических величин в головках и боковиках таблиц и расшифровках обозначений, входящих в формулу; - применять сокращения слов, кроме установленных правилами русской орфографии, пунктуации, а также по ГОСТ 7.12-93; | |||||||||||||||||||||||||||||||||||||||||||||||||||||||||||||||||||||||||||||||||||||||||||||||||||||||||||||||||||||||||||||||||||||||||||||||||||||||||||||||||||||||||||||||||||||||||||||







