| Общая информация » Каталог студенческих работ » ТЕХНИЧЕСКИЕ ДИСЦИПЛИНЫ » Начертательная геометрия и инженерная графика |
| 12.12.2025, 10:06 | ||||||||||||||||||||||||||||||||||
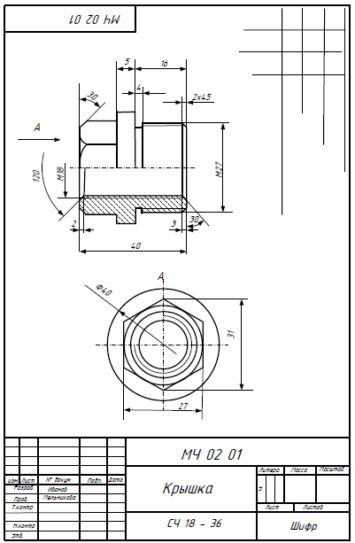
Контрольная работа выполняется на чертежной бумаге формата А3, листы выполненной работы складываются до размеров формата А4 и верхний лист оформляют как титульный. /Титульный лист может быть оформлен на отдельном листе формата А4/ КОНТРОЛЬНАЯ РАБОТА Перечень листов: Лист 1 – Эскиз детали / формат А4 / Лист 2 – Рабочий чертеж по данным эскиза / формат А3 / Лист 3 – Выполнение рабочего чертежа детали по сборочному / формат А3 / Лист 4 – Схема электрическая принципиальная /формат А3/ ЛИСТ I – 01 Образец выполненного листа представлен на рисунке 6. На листе I - 01 выполняется эскиз детали средней сложности. Деталь должна быть пустотелой с элементами резьбы. Деталь следует подбирать на производстве, в быту или на учебно -–консультационном пункте. Перечерчивать деталь из методических указаний по черчению или из учебников запрещено. Эскиз выполняется на писчей бумаге формата А4 или А3 ( лист в клетку ) карандашом. Лист должен иметь рамку и основную надпись Эскиз выполняется от руки в глазомерном масштабе, т.е. изображение детали может быть увеличено или уменьшено, но при этом пропорциональность элементов детали должна быть сохранена. При выполнении эскиза не применяют чертежных инструментов. Допускается окружности и дуги окружностей проводить циркулем с последующей обводкой от руки. Выполняется эскиз четко, аккуратно, обводка сплошных линий ведется карандашом ТМ, М в соответствии с ГОСТ 2.303 – 68. Порядок выполнения эскиза: выяснить название и назначение детали; определить ее положение ( Для таких деталей, как валы, оси, штуцера, втулки и прочие цилиндрические и конические детали, выбирают горизонтальное положение, когда ось детали параллельна основной надписи чертежа. ); проанализировать форму детали; выбрать количество видов; продумать, какие разрезы, сечения необходимо показать; подготовить формат бумаги; выполнить рамку и основную надпись; продумать композиционное расположение изображений на листе; провести оси симметрии и центровые линии основных элементов детали; тонкими линиями выполнить изображение детали, начиная с основных, крупных форм и кончая более мелкими элементами детали (проточки, фаски, пазы, галтели, бобышки); наметить разрезы, сечения и выполнить штриховку; обвести чертеж сплошными основными линиями; провести выносные и размерные линии. Размерные линии для внутренних и наружных поверхностей надо группировать отдельно. На изображаемой детали должны быть проставлены размеры, которые необходимо знать для ее обработки, и, кроме того, размеры габаритные; размеры, характеризующие основные элементы детали, размеры, определяющие положение центров отверстий. При наличии ряда отверстий указывают межосевое расстояние. Соответственно проставленным размерным линиям выполнить обмер детали и проставить размерные числа. В заключении работы над листом 1 заполняется основная надпись.
Рис. 6 Образец выполнения листа I - 01
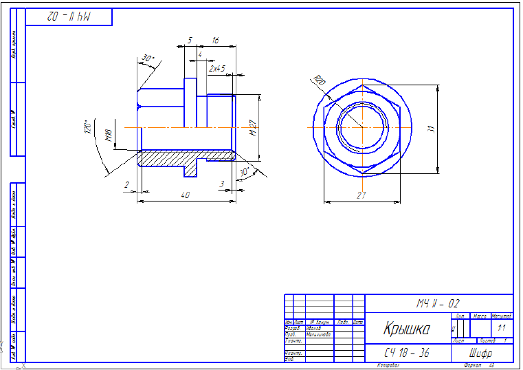
ЛИСТ I – 02 Образец выполненного листа на рисунке 7. Выполнить рабочий чертеж детали по данным эскиза. Рабочий чертеж выполняют на чертежной бумаге формата А3 чертежными инструментами по размерам, соответствующим числовым размерам, проставленным на эскизе, применяя масштаб по ГОСТу. / таблица 2 стр.7). При этом обязательно соблюдение всех правил ГОСТов геометрического, проекционного и машиностроительного черчения.
Рис. 7. Образец выполнения листа I - 02
ЛИСТ I - 03 Образец выполненного задания на рисунке 10. На чертежной бумаге формата А3 выполнить рабочий чертеж детали по сборочному чертежу. Индивидуальные задачи приведены в таблице 5. Таблица 5 Задания по деталированию сборочного чертежа
Деталирование, т.е. выполнение чертежей деталей со сборочного чертежа, начинают с чтения сборочного чертежа. С помощью спецификации и описания следует определить, из каких деталей состоит сборочная единица. Способы соединения деталей между собой и их взаимодействие. Разбирая форму каждой детали, ориентируются на проекционную связь и штриховку детали. Найдя деталь на всех изображениях, определить количество видов, главный вид, разрезы, необходимые для ее изображения на чертеже. После этого приступают к эскизированию детали. Эскиз является подготовительной к чертежу работой и не включается в контрольное задание. Не следует копировать деталь со сборочного чертежа, так как на сборочном чертеже виды и разрезы дают представление о конструкции изделия, а на чертеже - о форме детали. Выполняя эскиз детали, определяют, какие необходимо проставить размеры для изготовления изображенной детали. Обычно размеры для чертежей деталей снимают с контуров сборочного чертежа. Измеренные на сборочном чертеже размеры умножают на предварительно найденный коэффициент пропорциональной зависимости размеров. Для того чтобы определить истинные размеры детали, необходимо выяснить, во сколько раз уменьшен (или увеличен) при печатании изображенный чертеж. С этой целью находим на чертеже самый большой размер ( чем больше размер, тем меньше погрешность при подсчете ). Например, размер 120 при непосредственном измерении на рисунке в настоящем пособии оказался равным 52 мм. Разделив 120 на 52, получаем коэффициент уменьшения равным приблизительно 2,307. Теперь, чтобы узнать размеры, не указанные на сборочном чертеже, надо измерять их на чертеже и полученные величины умножить на 2,307.
Рис. 8. График пропорциональной зависимости размеров. Можно избежать большого числа подсчетов, применяя графический метод вычисления. В этом случае вычерчивают график пропорциональной зависимости размеров действительных на иллюстрации в книге. График вычерчивают на бумаге в клетку или на миллиметровке ( рисунок 8 ) следующим образом. Произвольно строят два взаимно перпендикулярных отрезка ОА и ОБ. На горизонтальном отрезке ОА от точки О откладывают циркулем – измерителем величину отрезка, взятого с чертежа, размер которого обозначен ( например 82 мм. ) Затем по вертикальной линии откладывают вверх от точки О действительный размер 82 мм по линейке. Из полученных точек восставляют перпендикуляры до пересечения в точке М. Проводя из точки О прямую через точку М, получим линию масштаба 1 : 1. С помощью линии масштаба легко находят истинные размеры деталей без арифметических подсчетов. Для этого берут измерителем любой размер чертежа, откладывают этот размер на линии ОА от точки О, из полученной точки восставляют перпендикуляр до пересечения с наклоном ОМ. Величина этого перпендикуляра будет являться действительным размером измеряемого элемента.
Рис. 9. Образец выполнения листа I - 03. (Сборочный чертеж, примерный образец задания) Сборочный чертеж перечерчивать не требуется!
Рис.10. Корпус, рабочий чертеж, выполненный по сборочному чертежу « Кран пробковый». К сборочным чертежам, изображенным на рисунках 13 – 16, приведены краткие описания назначения и устройства изделий. КЛАПАН ОБРАТНЫЙ. Рисунок 13 Штуцер 1 изготовлен из стали, имеет резьбовой конец М52 х 2 для крепления на рабочее место, другой конец штуцера имеет резьбу М42 х 2. Он ввертывается в отверстие корпуса 2. Вокруг него имеется цилиндрическая канавка для прокладки 8. Корпус 2 изготовлен из стали. В верхней и нижней части имеет резьбовые отверстия М42 * 2. Отводной патрубок корпуса 2 имеет резьбу М45 для навинчивания накидной гайки 5. Золотник 3 изготовлен из латуни, имеет четыре направляющих, скользящих в отверстии штуцера 1 , обеспечивает перекрытие проходного отверстия и пропуск рабочей среды. Крышка 4 изготовлена из стали, ввернута в корпус 2 на резьбе М 42 *2. Выступающий цилиндр с отверстием является направляющим для золотника 3 и пружины 9. Небольшое отверстие в верхней части цилиндра служит для выхода и входа воздуха при перемещениях золотника 3. Накидная гайка 5 изготовлена из стали, служит для крепления отбортованной трубы ( патрубка 6 ). Патркбок 6 изготовлен из стали, служит для присоединения к трубопроводу, по которому рабочая среда идет к аппарату. Прокладки резиновые 7 и 8 служат для уплотнения соединения корпуса 2 с крышкой 4. штуцером 1 и патрубком 6. Пружина 9 изготовлена из пружинной проволоки. Пружина рассчитана на определенное давление рабочей среды, способное поднять золотник 3. Обратный клапан рассчитан на пропуск рабочей среды в трубопровод, идущий к потребителю. В случае падения давления в зоне под золотником 3 пружина 9 опускает его. Перекрывая таким образом проходное отверстие и не допуская движения рабочей среды в обратном направлении. КЛАПАН ОБРАТНЫЙ. Рисунок 14 Корпус 1 изготовлен из стали. Фланец корпуса имеет четыре проходных отверстия для крепления болтами на рабочее место. На верхнем цилиндре корпуса нарезана наружная резьба М 72 х 4 для навертывания накидной гайки 4; внутренний цилиндр имеет резьбу М 50 для ввертывания втулки 3. Золотник 2 изготовлен из латуни. Он имеет четыре направляющих, скользящих в проходном отверстии корпуса 1. Втулка 3 изготовлена из латуни. Имеет четыре отверстия для специального ключа, которым еѐ ввертывают в корпус 1 ( резьба М 50 ) , регулируя давление пружины 7 на золотнике 2 и определяя тем самым рабочее давление клапана. Гайка накидная 4 ( резьба М 72 х 4 ) изготовлена из стали. Служит для крепления отбортованной трубы ( патрубок 5 ). Патрубок 5 изготовлен из стали. Служит для присоединения к трубопроводу, по которому рабочая среда идет к аппарату. Прокладка 6 изготовлена из резины. Служит для уплотнения соединения патрубка 5 с корпусом 1. Пружина 7 изготовлена из пружинной проволоки. Сжатием пружины 7 устанавливают определенное рабочее давление, способное открыть золотник 2. Поджатие пружины осуществляется вращением втулки 3. Обратный клапан служит для пропуска рабочей среды к потребителю. В случае падения давления в зоне под золотником 2 пружина 7 закроет отверстие золотником и проход среды будет открыт. КЛАПАН ПУСКОВОЙ . Рисунок 15 Пусковой автоматический клапан дизеля открывается под давлением сжатого воздуха. Клапан поз.3 пружиной поз.6 плотно прижат к торцу корпуса поз.1. Ниппель поз.2 зажат между корпусом поз.1 и колпаком поз.4 и уплотнен кожаными прокладками поз.5. При пуске дизеля сжатый воздух от воздухораспределителя поступает через резьбовое отверстие ниппеля поз.2 в полость корпуса поз.1 и проходит через продольные канавки на стержне клапана поз.3. Под давлением сжатого воздуха клапан преодолевает силу сопротивления пружины поз.6 и открывается. Как только воздухораспределитель прекратит подачу воздуха, пружина поз.6 прижмет клапан поз.3 к торцу корпуса поз.1 и отсоединит полость цилиндра двигателя от полости клапана. Детали поз 1 – 3, 4 и 7 выполнены из стали ( сталь 15 Л – 1 ГОСТ 977 – 65 ); деталь поз 5 – прокладка из технической кожи и деталь поз.6 выполнена из стали ( сталь 65 Г ГОСТ 1050 – 74 ) КЛАПАН РЕГУЛИРУЕМЫЙ . Рисунок 16 Корпус 1 изготовлен из стали, имеет трубную резьбу ½ для подключения к рабочей камере. Штуцер специальный 2 изготовлен из стали, вставляется в горизонтальное отверстие корпуса, имеет трубную резьбу 7/8 для подключения к трубопроводу. Труба показана на рисунке тонкой штрих – пунктирной линией. Игла регулирующая 3 изготовлена из стали, позволяет поджать пружину 5 нажатием на шарик 7, что обеспечивает зазор, гарантирующий дозированный постоянный пропуск рабочей среды. Если иглу немного отвернуть, ликвидировав нажим на шарик, клапан будет работать по типу обратного клапана. Гайка специальная 4 изготовлена из стали, имеет резьбу труб ½ , обеспечивает поджатие пружины 5. Пружина изготовлена из пружинной проволоки, обеспечивает определенное давление на шарик 7, перекрывающий проход рабочей среды. Прокладки резиновые 6 ( 2 шт. )обеспечивают плотность присоединения штуцера 2 и трубы ( показана тонкой штрих – пунктирной линией ) к корпусу 1. Шарик 7 изготовлен из стали , обеспечивает перекрытие рабочего отверстия и дозированный пропуск рабочей среды. Гайка накидная 8 изготовлена из стали, служит для зажима прокладки 9, изолирующей рабочую полость клапана от внешней среды. Прокладка резиновая 9. Клапан регулируемый устанавливается на трубопровод , подводящий рабочую среду к аппарату. Рабочая среда подается через штуцер и систему отверстий на шарик. Зазор, создаваемый нажатием иглы 3 на шарик 7, обеспечивает дозированное поступление и расход рабочей среды.
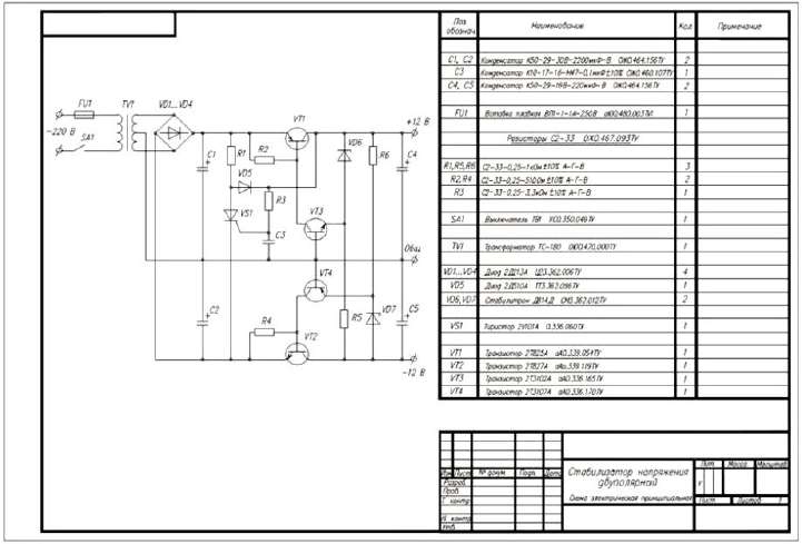
ЛИСТ 1-04 На листе формата А3 выполняется схема электрическая принципиальная. Все элементы на схемах изображены в виде окружностей, которые следует заменить на УГО схем в соответствии с цифровым обозначением в окружности. Опись всех элементов представлена после варианта №10. Электрическая схема — это чертеж, на котором показано упрощенное и наглядное изображение связи между отдельными элементами электрической цепи, выполненной с применением условных графических обозначений, и позволяющий понять принцип действия устройства. В отличие от машиностроительных и строительных чертежей электрические схемы выполняют без соблюдения масштаба, а действительное пространственное расположение составных частей установки не учитывают или учитывают приближенно. Любая электрическая цепь состоит из источников энергии и ее потребителей. Кроме того, в электрическую цепь входят аппараты для включения и отключения всей цепи или отдельных ее участков и потребителей, измерительные приборы, устройства защиты и другие аппараты. Графические обозначения элементов устройства и соединяющие их линии располагают на схеме таким образом, чтобы обеспечить наилучшее представление о структуре изделия и взаимодействия его составных частей. Схемы выполняют для изделий, находящихся в отключенном положении. В соответствии с ГОСТ 2.701—84 в зависимости от назначения электрические схемы разделяют на следующие: структурные, функциональные, принципиальные (полные), соединений (монтажные), расположения и некоторые другие. На принципиальной схеме показывают условными графическими обозначениями все электрические элементы электроустановки, а также все электрические связи между ними. Связи по возможности изображают прямыми линиями с наименьшим числом пересечений. Правила выполнения схем регламентированы межгосударственным стандартом ГОСТ 2.702-2011.
Рис.11. Пример оформления схемы электрической принципиальной. Задания по схемам размещены в приложении Б На листе схемы над основной надписью разместите перечень элементов, который заполняется сверху вниз.
Рис. 12. Перечень элементов
Приложение А (Сборочные чертежи)
Рис. 13. Клапан обратный
Рис. 14. Клапан обратный
Рис.15. Клапан пусковой
Рис. 16. Клапан регулируемый
ПРИЛОЖЕНИЕ Б (Задания по схемам)
.....
| ||||||||||||||||||||||||||||||||||












