| Общая информация » Каталог студенческих работ » ТЕХНИЧЕСКИЕ ДИСЦИПЛИНЫ » Начертательная геометрия и инженерная графика |
| 19.12.2025, 21:18 | ||||||||||||||||||||||||||||||||||||||||||||||||||||||||||||||||||||||||||||||||||||||||||||||||||||||||||||||||||||||||||||||||
Расчетно-графическая работа по инженерной графике выполняется каждым студентом по индивидуальному варианту, который соответствует последней цифре номера зачетной книжки, на листах чертежной бумаги формата А3 карандашом или с применением унифицированного графического программного обеспечения. СОДЕРЖАНИЕ РАСЧЕТНО-ГРАФИЧЕСКОЙ РАБОТЫ 1. Построение трех видов детали по данному наглядному изображению. 2. Построение трех изображений по двум заданным. Выполнение разрезов и сечений. 3. Построение аксонометрической проекции детали. 4. Изображение и обозначение резьб, соединений на резьбе, изображение и обозначение крепежных деталей. 5. Соединение шпилькой.
ЛИСТ 1: ВИДЫ Задание. Построить три вида детали по заданному наглядному изображению в аксонометрической проекции. Проставить размеры. Работу выполнить на формате А3. Индивидуальные задания даны в таблице 1, вариант выбирается по последней цифре в номере студенческого билета. Пример выполнения приведен на рис.5. Таблица 1
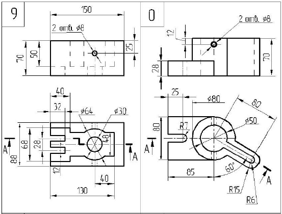
ЛИСТ 2. РАЗРЕЗЫ, СЕЧЕНИЯ Задание. По двум изображениям детали построить третье. Для выяснения внутреннего контура выполнить сложный (ступенчатый или ломаный) и простой разрезы. Наклонное сечение разместить на том же формате. Угол наклона секущей плоскости выбрать таким образом, чтобы она пересекла большее число поверхностей детали. Работу следует выполнить на формате А3. Задания представлены в таблице 2. Пример выполнения листа на рис. 9. Разрезом называется изображение предмета мысленно рассеченного одной или несколькими секущими плоскостями, при этом рассечение относится только к данному разрезу и не влечет за собой изменение других изображений предмета. На разрезе показывается то, что попало в секущую плоскость и то, что расположено за ней. К работе следует приступать, ознакомившись с ГОСТ 2.305-2008 «Изображения – виды, разрезы сечения» [5]. На месте главного изображения необходимо выполнить сложный ступенчатый фронтальный разрез (положение секущих плоскостей дано в задании). Выполнение чертежа детали целесообразно начинать с вида сверху. На этой проекции следует указать следы секущих плоскостей. Для линии сечения должна применяться разомкнутая линия, кроме этого при сложном разрезе штрихи проводят также у мест пересечения секущих плоскостей между собой. На начальном и конечном штрихах следует ставить стрелки, указывающие направление взгляда. Стрелки должны наноситься на расстоянии 2-3 мм от конца штриха. Разрез обозначается сдвоенной буквой русского алфавита по типу «А-А», а у начала и конца линии сечения с внешней стороны стрелки ставится та же самая буква. На месте вида слева выполнить простой профильный разрез. Все построенные изображения должны находиться в проекционной связи. В случаях, когда секущая плоскость проходит через ось симметрии детали, след секущей плоскости не показывается и разрез не подписывается. Сечением называется изображение, получаемое при мысленном рассечении предмета плоскостью. На сечении показывают только то, что получается в секущей плоскости. Наклонное сечение выполняют, используя методы геометрического моделирования. Размеры проставляют в соответствии с ГОСТ 2.307-2011 [5]. Следует выяснить внутренний и внешний контуры изделия. Размеры проставляют отдельно для каждого из контуров. Общее количество размеров должно быть минимальным, но достаточным для изготовления и контроля изделия. Размеры на чертеже не допускается наносить в виде замкнутой цепи, предпочтительно наносить их вне контура изображения. Если вид или разрез симметричного предмета изображают только до оси симметрии или с обрывом, то и размерные линии, относящиеся к этим элементам, проводят с обрывом. Размеры желательно проставлять на главном изображении. Штриховку изделий в разрезе выполняют по ГОСТ 2.306-68 [5] «Обозначения графических материалов и правила их нанесения на чертежах». Таблица 2.
ЛИСТ 3. АКСОНОМЕТРИЧЕСКИЕ ПРОЕКЦИИ Задание. Выполнить аксонометрическую проекцию (изометрию) с вырезом четверти той же детали, которую выполняли на листе 2 «Разрезы». Работа выполняется на формате А3 в соответствии с ГОСТ 2.317-2011 «Аксонометрические проекции». Рекомендуемый масштаб 2:1. Пример выполнения листа представлен на рис. 10. Из всего разнообразия аксонометрических проекций, получаемых путем проецирования предмета вместе с ортогональными осями на картинную плоскость, ГОСТ 2.317-2011 [5] рекомендует применять следующие виды аксонометрии: прямоугольную изометрию (рис.6); прямоугольную диметрию (рис.7); косоугольную фронтальную изометрию; косоугольную горизонтальную изометрию; косоугольную фронтальную диметрию. Вид аксонометрии студент определяет сам в зависимости от вида и положения поверхностей, ограничивающих деталь, так чтобы получить достаточно наглядное изображение. Построения обычно начинают с выполнения вторичной проекции, за которую чаще всего принимают горизонтальную проекцию в аксонометрии. Затем из каждой точки проводят вертикальные прямые, на них откладывают координату Z этих точек.
Окружность в аксонометрической проекции представляет собой эллипс, построение которого требует специальных лекал и навыков в работе с ними, поэтому на практике эллипсы заменяют овалами (рис. 8). Построение овалов может быть выполнено разными способами, общая для прямоугольной изометрии и диметрии последовательность построения циркульных кривых аксонометрических проекции окружностей может включать следующие этапы: - определяем положение центра окружности в аксонометрии; - строим через выбранную точку оси данной плоскости; - вычерчиваем взаимно перпендикулярные оси эллипса, причем, малая ось эллипса параллельна отсутствующей в данной плоскости оси; - вычерчиваем окружность заданного радиуса через выбранный центр; - определяем положение центров дуг. При построении окружности в изометрии, дуги большего радиуса выполняются из точек пересечения окружности и малой оси эллипса, дуги малого радиуса – из точек пересечении большой оси эллипса и прямой, соединяющей центры больших дуг с противолежащими точками пересечения окружности и осей данной плоскости (рис. 8).
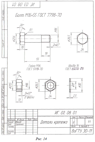
ЛИСТ 4. ДЕТАЛИ КРЕПЕЖА Задание. Выполнить конструктивное изображение болта, гайки, шайбы. Чертеж выполняется на листе формата А4. Пример выполнения работы представлен на рис. 14. Задания по вариантам даны в таблице 3. Перед выполнением этого листа студенту необходимо: 1. Изучить конструкции и способы изображения и обозначения резьбовых крепежных деталей: болтов, гаек, а также деталей, входящих в состав резьбового соединения шайб. 2. Ознакомиться со стандартами на крепежные изделия. 3. Размеры болта, гайки, шайбы можно взять из соответствующих таблиц в Приложении, уточнив эти размеры по справочной литературе [2 4]. 4. По установленным размерам вычертить болт, гайку, шайбу, проставить размеры. 5. Записать обозначения болта, гайки, шайбы. Для изображения болта и гайки необходимо выполнить две проекции, для выяснения конструкции шайбы достаточно одного изображения. В работе также требуется дать условные обозначения всех изображенных на чертеже деталей. Таблица 3
Конструктивные размеры болтов, гаек, шайб в зависимости от диаметра стержня и ГОСТ приведены в соответствующих таблицах справочной литературы на крепежные изделия. d наружный диаметр резьбы – принимают за номинальный и используют при обозначении резьбы; p - шаг, расстояние между одноименными точками профиля резьбы; l - длина болта; l0 - длина резьбовой части болта; H - высота головки болта и высота гайки; D - диаметр описанной окружности головки болта (гайки); D1 - диаметр снятия фаски на головке болта; на гайке S - размер под ключ головки болта (гайки); с фаска резьбы на стержне болта, гайке (выбрать из таблицы «Технологические элементы резьбы» в Приложении); r - радиус галтели под головкой болта; d1 диаметр отверстия в шайбе; d2 диаметр шайбы; sш - толщина шайбы.
ЛИСТ 5. СОЕДИНЕНИЕ ШПИЛЬКОЙ. Задание. Вычертить сверленое и нарезанное отверстия под шпильку; шпильку, соответствующую данному резьбовому отверстию; записать условное обозначение шпильки; дать конструктивное изображение соединения шпилькой. Перед выполнением листа студенту следует изучить конструктивный и упрощенный методы изображения соединения шпилькой. Работа выполняется на чертежной бумаге формата А4 в требуемом масштабе. Пример выполнения листа представлен на рис. 15. Допускается листы 4 и 5 выполнить на одном формате А3, как показано в примере выполнения (рис. 14 и рис. 15). Задания по вариантам приведены в таблице 4. Таблица 4
При выполнении соединения шпилькой следует учитывать технологию изготовления отверстия под шпильку и порядок сборки соединения.
Резьбовой конец шпильки l1 (рис. 11) ввинчивается в деталь и называется посадочным концом. Длина посадочного конца зависит от материала детали. Для прочных и пластичных материалов (сталь, бронза, латунь) l1 = d, где d – номинальный диаметр шпильки; для ковкого и серого чугуна l1 = 1,25-1,6 d; для деталей из легких сплавов l1 = 2 d. На другой резьбовой конец шпильки l0 навинчивается гайка. Длиной шпильки условно считают длину ее стержня без длины посадочного конца. Гнездо под шпильку выполняется в следующей последовательности: сверлят отверстие диаметром d1 (внутренний диаметр резьбы) на глубину: L1 = L + 0,5 d, где L глубина резьбы, 0,5 d недорез; нарезают резьбу на глубину: L = l1 + 2 p , где p шаг резьбы (рис. 12а). Шпильку ввинчивают в резьбовое отверстие детали на всю длину резьбы l1, т.е. граница резьбы посадочного конца совпадает с линией разъема соединяемых деталей (рис.12б).
Конструктивное изображение соединения резьбой выполняется в соответствии с ГОСТ 2.311-68 [5]. На сборочных чертежах выполняется, как правило, упрощенное болтовое (винтовое) и шпилечное соединение (рис.13) в соответствии с ГОСТ 2.315-68 п.4 [5] по следующим соотношениям в функции от номинального диаметра d:
При упрощенном изображении: - резьба показывается по всей длине стержне; - фаски на резьбе, скругления, а также зазоры между стержнем детали и отверстием не изображаются; - не выполняются фаски и линии среза на головке болта и гайке; - на виде сверху или слева резьба на стержне показывается основной линией по наружному диаметру резьбы, тонкая линия с обрывом, соответствующая внутреннему диаметру резьбы не изображается.
| ||||||||||||||||||||||||||||||||||||||||||||||||||||||||||||||||||||||||||||||||||||||||||||||||||||||||||||||||||||||||||||||||












