| Общая информация » Каталог студенческих работ » ТЕХНИЧЕСКИЕ ДИСЦИПЛИНЫ » Сопротивление материалов |
| 11.12.2025, 19:57 | |||||||||||||||||||||||||||||||||||||||||||||||||||||||||||||||||||||||||||||||||||||||||||||||||||||||||||||||||||||||||||||||||||||||||||||||||||||||||||||||||||||||||||||||||||||||||||||||||||||||||||||||||||||||||||||||||||||||||||||||||||||||||||||||||||||||||||||||||||||||||||||
Для пользования таблицей 1 (Приложение 1), надо записать номер своего студенческого билета или зачётной книжки и под ним первые шесть букв русского алфавита, например:
Тогда а = 1; б = 3; в = 2; г = 7; д = 10; е = 4. Из каждого вертикального столбца таблицы 1 (Приложение 1), надо взять только одно число, стоящее в той горизонтальной строке, номер которой совпадает с номером расположенной внизу буквы. Например, вертикальные столбцы таблицы обозначены буквами: е, г, д. В этом случае, при указанном выше номере студенческого билета 1 2 3 7 0 4, студент должен взять из столбца е строку номер 4, из столбца г – строку номер 7 и из столбца д – строку номер 10.
ЗАДАЧИ ДЛЯ РАСЧЕТНО-ГРАФИЧЕСКИХ И КОНТРОЛЬНЫХ РАБОТ РАСЧЕТ СТУПЕНЧАТОГО БРУСА НА РАСТЯЖЕНИЕ–СЖАТИЕ (Тема: «Центральное растяжение-сжатие». Раздел: «Статически определимые системы».) Для ступенчатого стального бруса круглого поперечного сечения, (рис. 1), выполненного из стали марки Ст. 3, имеющей предел текучести sТ, модуль Юнга E, требуется: 1) построить по длине бруса эпюры продольных сил N, нормальных напряжений s и перемещений поперечных сечений d; 2) вычислить коэффициент запаса прочности бруса n. Принять: а = 0,1ℓ1; в = 0,1ℓ2; с = 0,1ℓ3.
РАСЧЕТ СТАТИЧЕСКИ НЕОПРЕДЕЛИМОЙ СТЕРЖНЕВОЙ СИСТЕМЫ (Тема: «Центральное растяжение-сжатие». Раздел: «Статически неопределимые системы».) Абсолютно жесткий брус (рис. 2) оперт на шарнирно-неподвижную опору и прикрепляется к двум стержням, при помощи шарниров. Стержни изготовлены из стали марки Ст. 3, Требуется: 1) найти усилия и напряжения в стержнях, выразив их через силу Q; 2) из расчета по допускаемым напряжениям найти допускаемую нагрузку [Q], приравняв большее из напряжений в двух стержнях к допускаемому напряжению [σ]; 3) из расчета по допускаемым нагрузкам найти предельную грузоподъемность системы QTk и допускаемую нагрузку QДОП, если известен предел текучести σТ и коэффициент запаса прочности n = 1,5; 4) сравнить величины [Q] и QДОП, полученные при расчете по допускаемым напряжениям и допускаемым нагрузкам. Принять: А = А1.
ОПРЕДЕЛЕНИЕ ГЕОМЕТРИЧЕСКИХ ХАРАКТЕРИСТИК ПЛОСКИХ СЕЧЕНИЙ (Тема: «Геометрические характеристики плоских сечений».) Задано поперечное сечение, состоящее из двух профилей, имеющих вид швеллера, двутавра или равнополочного уголка (рис. 3), Требуется: 1) определить положение центра тяжести поперечного сечения; 2) найти осевые и центробежный моменты инерции относительно случайных осей (xC и yC), проходящих через центр тяжести; 3) определить положение главных центральных осей u и v; 4) найти моменты инерции относительно главных центральных осей; 5) вычертить сечение и указать на нем все размеры в числах и все оси. При расчете все необходимые данные следует брать из таблиц сортамента.
РАСЧЕТ ВАЛА НА КРУЧЕНИЕ (Тема: «Сдвиг и кручение».) Стальной вал, закручивается двумя моментами m1 и m2 (рис. 4). Два участка вала имеют форму поперечного сечения в виде кругов диаметрами d1 и d2, а третий участок вала полый - имеет форму поперечного сечения в виде кольца с заданным отношением внутреннего диаметра d к наружному D. Требуется: 1) построить эпюру крутящих моментов МК; 2) из условия прочности по допускаемым касательным напряжениям [τ] определить размеры поперечных сечений участков вала и округлить их до ближайшей большей величины в мм; 3) построить эпюру углов поворота α. Принять: а = 0,1ℓ3.
РАСЧЕТ ШАРНИРНО-ОПЕРТОЙ БАЛКИ НА ИЗГИБ (Тема: «Изгиб».) Стальная балка, изображена на рис. 5. Требуется: 1) построить эпюры поперечной силы QУ и изгибающего момента МХ; 2) подобрать из условия прочности по допускаемым напряжениям поперечные сечения в виде круга, квадрата, двутавра и двух швеллеров; 3) сравнить принятые сечения балок по экономичности. Стенки двутавра и двух швеллеров параллельны действующей нагрузке.
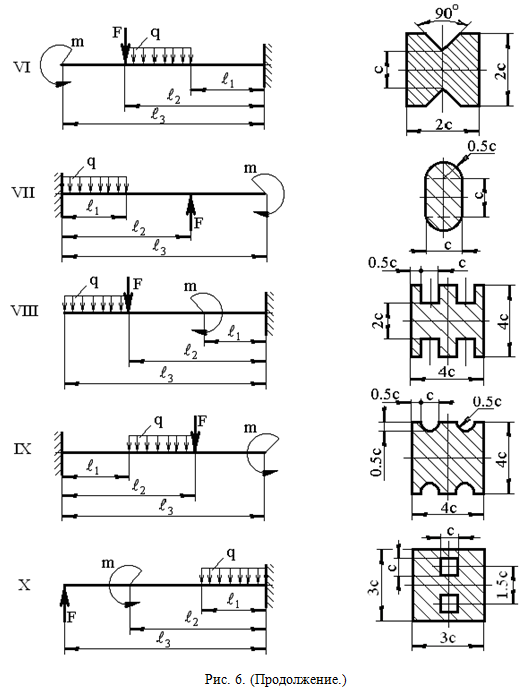
РАСЧЕТ БАЛКИ-КОНСОЛИ НА ИЗГИБ (Тема: «Изгиб».) Стальная балка, изображена на рис. 6. Требуется: 1) построить эпюры поперечной силы QУ и изгибающего момента МХ; 2) подобрать из условия прочности по допускаемым напряжениям сложное поперечное сечение, изображенное справа от схемы балки.
РАСЧЕТ ПРОСТРАНСТВЕННОГО ЛОМАНОГО БРУСА (Тема: «Изгиб». Раздел: «Изгиб с кручением».) На рис. 7 изображена в аксонометрии ось ломаного стержня круглого поперечного сечения, расположенная в горизонтальной плоскости и имеющая прямые углы в точках А и В. На стержень действует вертикальная нагрузка F1 и q. Требуется: 1) построить отдельно (в аксонометрии) эпюры изгибающих и крутящих моментов; 2) установить опасное сечение и найти для него величину расчетного момента по энергетическому критерию.
РАСЧЕТ ВАЛА НА ИЗГИБ С КРУЧЕНИЕМ (Тема: «Изгиб». Раздел: «Изгиб с кручением».) Шкив диаметром D1 и углом наклона ветвей ремня к горизонту α1 делает n оборотов в минуту и передает мощность N кВт. Два других шкива имеют одинаковый диаметр D2 и одинаковые углы наклона ветвей ремня к горизонту α2 и каждый из них передает мощность N/2 кВт (рис. 8). Требуется: 1) определить моменты, приложенные к шкивам, по заданным N и n; 2) построить эпюру крутящих моментов МК; 3) определить окружные усилия t1 и t2, действующие на шкивы, по найденным моментам и заданным диаметрам шкивов D1 и D2; 4) определить давления на вал, принимая их равными трем окружным усилиям; 5) определить силы изгибающие вал в горизонтальной и вертикальной плоскостях (вес шкивов и вала не учитывать); 6) построить эпюры изгибающих моментов от горизонтальных сил МГОР и от вертикальных сил МВЕРТ; 7) построить эпюру суммарных изгибающих моментов, пользуясь формулой (для каждого поперечного сечения вала имеется своя плоскость действия суммарного изгибающего момента, но для круглого сечения можно совместить плоскости МИЗГ для всех поперечных сечений и построить суммарную эпюру в плоскости чертежа; при построении эпюры надо учесть, что для некоторых участков вала она не будет прямолинейной); 8) при помощи эпюр МК и МИЗГ найти опасное сечение и определить величину максимального расчетного момента по критерию наибольших касательных напряжений; 9) подобрать из условия прочности по допускаемым напряжениям диаметр вала и округлить до ближайшей большей величины кратной 10 мм. Принять: а = 0,2ℓ1; в = 0,2ℓ2; с = 0,2ℓ3; D1 = 0,5ℓ1; D2 = 0,5ℓ2.
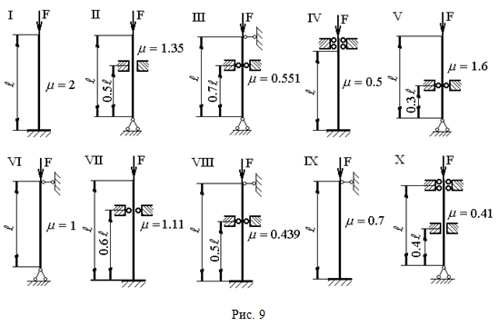
РАСЧЕТ СТЕРЖНЯ НА УСТОЙЧИВОСТЬ (Тема: «Устойчивость сжатых стержней».) Стальной стержень (рис. 9) длиной ℓ сжимается силой F и имеет сложное поперечное сечение, изображенное справа на рис. 6. Требуется: 1) найти размеры поперечного сечения при допускаемом напряжении [σ]. Расчет производить методом последовательных приближений, предварительно задавшись коэффициентом уменьшения допускаемых напряжений φ = 0,5; 2) найти критическую силу FK и коэффициент запаса устойчивости nУ. Принять: ℓ = 0,7ℓ1; F = F2.
РАСЧЕТ НА УДАР (Тема: «Динамическое действие нагрузок». Раздел: «Удар».) На двутавровую балку, свободно лежащую на двух жестких опорах (рис. 10), с высоты h падает груз весом Q. Требуется: 1) найти наибольшее нормальное напряжение в балке; 2) решить аналогичную задачу при условии, что левая опора заменена пружиной, податливость которой (т. е. осадка от груза весом 1 кН) равна α =0,02 м/кН; 3) сравнить полученные результаты. Принять: Q = 0,01F2; h = 0,1ℓ1; ℓ = ℓ1.
РАСЧЕТ НА КОЛЕБАНИЯ (Тема: «Динамическое действие нагрузок». Раздел: «Колебания».) На двух балках двутаврового сечения установлен двигатель весом Q (рис. 11), делающий n оборотов в минуту. Центробежная сила инерции, возникающая вследствие неуравновешенности вращающихся частей двигателя, равна Н. Собственный вес балок и силы сопротивления можно не учитывать. Требуется найти: 1) частоту собственных колебаний ω0; 2) частоту изменения возмущающей силы ω; 3) коэффициент нарастания колебаний (если коэффициент β, определяемый по этой формуле, окажется отрицательным, то в дальнейшем расчете следует учитывать его абсолютную величину); 4) динамический коэффициент; 5) наибольшее нормальное напряжение в балках σД = КД · σСТ . Принять: Q = 0,1F2; H = 0,1F1; ℓ = ℓ1.
Приложение 1 Таблица 1
Таблица 1 (Продолжение)
Значения некоторых величин, используемых при решении задач. Модуль Юнга стали E = 2×105 MПа. Модуль сдвига стали G = 0,8·105 МПа. Предел текучести стали марки Ст. 3 σТ = 240 МПа. Допускаемое нормальное напряжение [σ] = 160 МПа. Допускаемое касательное напряжение [τ] = 80 МПа. | |||||||||||||||||||||||||||||||||||||||||||||||||||||||||||||||||||||||||||||||||||||||||||||||||||||||||||||||||||||||||||||||||||||||||||||||||||||||||||||||||||||||||||||||||||||||||||||||||||||||||||||||||||||||||||||||||||||||||||||||||||||||||||||||||||||||||||||||||||||||||||||











